volver a
>
Roth / TORO
>
Ride-On Mowers
>
Traktor
>
16-38 XLE
>
358/71226
>
220010001
>
Lista de repuestos para Toro Roth / TORO
pos.
descripción
Número de pieza
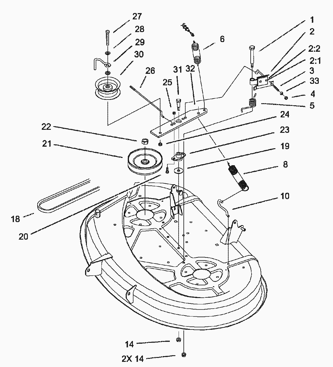
1
Bolt-Shoulder
88-4590
2
88-6100
21
Rivet-Pop
3290-282
22
Pad-Brake
56-9830
3
Rod-Deck Brake L.H.
88-5550
4
MUTTER
3296-42
5
Spring-Torsion
88-5910
6
Spring-Deck Engage
88-6130
8
Spring-Extension
92-8934
10
Hook-Spring Return
88-5970
14
Nut-Flange Lock
3296-58
18
V-Belt-Deck
88-6250
19
Washer
3256-68
20
Hex Hd. Capscrew
322-5
21
Pulley-Deck
88-5330
22
Nut-Lock
3219-6
23
Bushing-Idler Arm
88-4980
24
Locknut
3296-39
25
MUTTER
3296-29
26
Rod-Deck Brake R.H.
88-5540
27
Hex Hd. Capscrew
323-12
28
Flat Washer
3256-24
29
Guide-Idler Belt
88-5070
30
Pulley-Idler
88-5630
31
Bolt-Shoulder
7-0030
32
Arm-Idler
88-4870-03
33
Ball-Swivel
67-0710
Toro
Roth / TORO
Ride-On Mowers
Traktor
264-6
246 HE
244-5
212-H
212-5
17-44 HXLE
16-44 HXL
16-38 HXL
16-38 XLE
358/71226
220010001
Carburetor Overhaul Kit Assy. Engine B&S Model 286H77-0121-E1
Gasket Assy. Engine B&S Model 286H77-0121-E1
Starter Assy. Engine B&S Model 286H77-0121-E1
Blower Housing Assy. Engine B&S Model 286H77-0121-E1
Governor Assy. Engine B&S Model 286H77-0121-E1
Air Cleaner Assy. Engine B&S Model 286H77-0121-E1
Carburetor Assy. Engine B&S Model 286H77-0121-E1
Oil Filter, Tube and Pump Assy. Engine B&S Model 286H77-0121-E1
Crankcase Assy. Engine B&S Model 286H77-0121-E1
Crankshaft Assy. Engine B&S Model 286H77-0121-E1
Cylinder Head Assy. Engine B&S Model 286H77-0121-E1
Cylinder Assy. Engine B&S Model 286H77-0121-E1
Peerlesss Transaxle Model MST 205-509
Electrical Assy.
HOC Assy.
5 Speed Transaxle Assy.
Shifting Assy.
Traction Clutch Assy.
Engine Assy.
Fixed Steering Assy.
Steering Assy.
Steering Assy. (Cont.)
Rear Body and Seat Assy.
Frame and Body Assy.
Hood and Tower Assy.
210000001
200000001
15-44 HXL
15-38 HXL
14-38 HXL
14-38 XL
13-38 HXL
13-38 XL
13-32 XLE
12-38 HXL
12-38 XL
12-32 XL
264 H
265 H
267 H
268 H
270 H
520 xi
520 Lxi
523 Dxi
Rider
Mower decks
Attachements
Hand operated
Robin
Condiciones
(C) by motoruf