volver a
>
Roth / TORO
>
Ride-On Mowers
>
Traktor
>
246 HE
>
309/72101
>
3900001
>
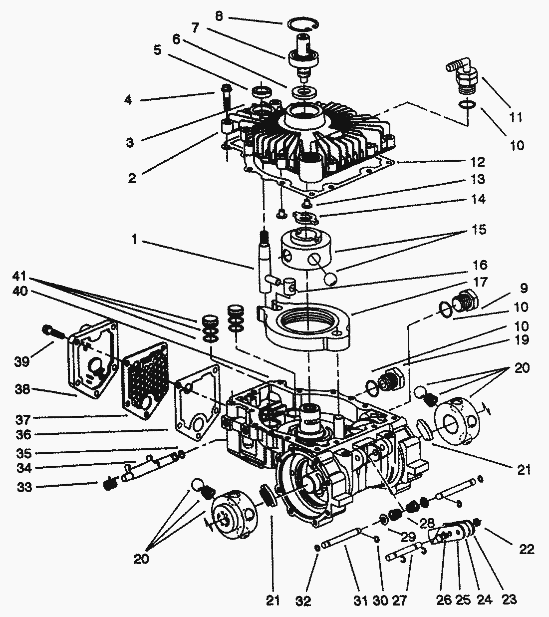
Transmission Eaton Model 751-045
Lista de repuestos para Toro Roth / TORO Transmission Eaton Model 751-045
Lista de repuestos 1
Lista de repuestos 2
pos.
descripción
Número de pieza
88-2250
88-2630
88-3140
88-2380
88-2210
pos.
descripción
Número de pieza
1
Shaft-Control
88-2200
3
Cover
88-2220
4
Screw
88-2230
5
Seal-Control Shaft
112605
6
Seal-Input Shaft
112604
7
Shaft-Input
88-2240
8
Ring-Retaining
112600
10
Seal-ORing
88-2260
11
Fitting 90ø
88-2270
12
Gasket-Cover
88-2280
13
Button
112595
14
Drive
88-2290
15
Pump Assembly, Rotor Ball
88-2300
16
Insert
88-2310
17
Ring Assembly-Cam
88-2320
19
Nut-Assembly
88-2340
20
Nut-Assembly
88-2340
21
Pad-Friction
88-2350
22
Nut-Lock
88-2360
23
Lever-Brake, R.H.
88-2370
25
Lever-Brake, L.H.
88-2390
26
Screw-Hex. Hd.
88-2400
27
Shaft-Brake
88-2410
28
Spring-Conical,
88-2420
29
Base-Spring
88-2430
30
Ring-Retaining
88-2440
31
Rod-Push
88-2450
32
Seal-Quad
88-2460
33
Spring-Dump Valve
88-2470
34
Bracket-Dump Valve
88-2480
35
ORing-Seal
88-2490
36
Gasket-filter
88-2500
37
Filter
88-2510
38
Cover-Valve
88-2520
39
Screw-Hex. Hd.
88-2530
40
Housing
88-2540
41
Housing
88-2540
pos.
descripción
Número de pieza
1
Ring-Retaining
88-2560
2
Bearing-Ball
88-2570
3
Seal-Radial Lip
88-2580
4
Shaft-Axle
88-2590
5
Ring-Retaining
88-2600
6
Washer-Thrust
88-2610
7
Housing-Axle
88-2620
8
Gasket-Axle Housing
88-2640
9
Plate-Reaction
88-2650
10
Plate-Backup
88-2660
11
Gear-Ring, 57 Tooth
88-2670
12
Gear-First, 15 Tooth
88-2680
13
Gear-Planet, First
88-2690
14
Carrier Primary
88-2800
15
Gear-Second, 15 Tooth
88-2810
16
Gear-Second, 21 Tooth
88-2820
17
Carrier-Secondary
88-2830
18
Screw
88-2840
Toro
Roth / TORO
Ride-On Mowers
Traktor
264-6
246 HE
309/72101
3900001
Electrical Schematic
Transmission Eaton Model 751-045
Engine TORO Power Plus
Fender and Seat Assy.
Hydraulic Reservoir Assy.
Rear Wheel and Transmission Assy.
Brake and Hydro Linkage
Brake Pedal Assy.
Idler and Pedal Shaft Assy.
Lift Bar Linkage Assy.
Dash Assy.
Steering Shaft and Indicator Assy.
Steering Wheel and Console Assy.
Fuel Tank and Steering Bracket Assy.
Clutch Assy. 92-1686
Battery Mount Assy.
Engine and Clutch
Front Axle Assy.
Main Frame Assy.
Hood Assy.
244-5
212-H
212-5
17-44 HXLE
16-44 HXL
16-38 HXL
16-38 XLE
15-44 HXL
15-38 HXL
14-38 HXL
14-38 XL
13-38 HXL
13-38 XL
13-32 XLE
12-38 HXL
12-38 XL
12-32 XL
264 H
265 H
267 H
268 H
270 H
520 xi
520 Lxi
523 Dxi
Rider
Mower decks
Attachements
Hand operated
Robin
Condiciones
(C) by motoruf