volver a
>
Roth / TORO
>
Ride-On Mowers
>
Traktor
>
246 HE
>
309/72101
>
3900001
>
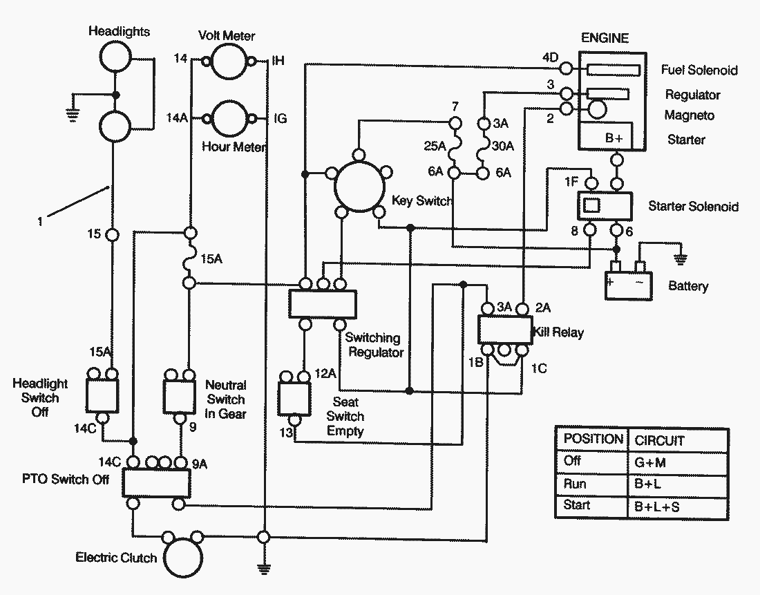
Electrical Schematic
Lista de repuestos para Toro Roth / TORO Electrical Schematic
pos.
descripción
Número de pieza
1
Wire Harness
92-1695
Toro
Roth / TORO
Ride-On Mowers
Traktor
264-6
246 HE
309/72101
3900001
Electrical Schematic
Transmission Eaton Model 751-045
Engine TORO Power Plus
Fender and Seat Assy.
Hydraulic Reservoir Assy.
Rear Wheel and Transmission Assy.
Brake and Hydro Linkage
Brake Pedal Assy.
Idler and Pedal Shaft Assy.
Lift Bar Linkage Assy.
Dash Assy.
Steering Shaft and Indicator Assy.
Steering Wheel and Console Assy.
Fuel Tank and Steering Bracket Assy.
Clutch Assy. 92-1686
Battery Mount Assy.
Engine and Clutch
Front Axle Assy.
Main Frame Assy.
Hood Assy.
244-5
212-H
212-5
17-44 HXLE
16-44 HXL
16-38 HXL
16-38 XLE
15-44 HXL
15-38 HXL
14-38 HXL
14-38 XL
13-38 HXL
13-38 XL
13-32 XLE
12-38 HXL
12-38 XL
12-32 XL
264 H
265 H
267 H
268 H
270 H
520 xi
520 Lxi
523 Dxi
Rider
Mower decks
Attachements
Hand operated
Robin
Condiciones
(C) by motoruf