volver a
>
Roth / TORO
>
Ride-On Mowers
>
Traktor
>
246 HE
>
309/72101
>
3900001
>
Hydraulic Reservoir Assy.
Lista de repuestos para Toro Roth / TORO Hydraulic Reservoir Assy.
pos.
descripción
Número de pieza
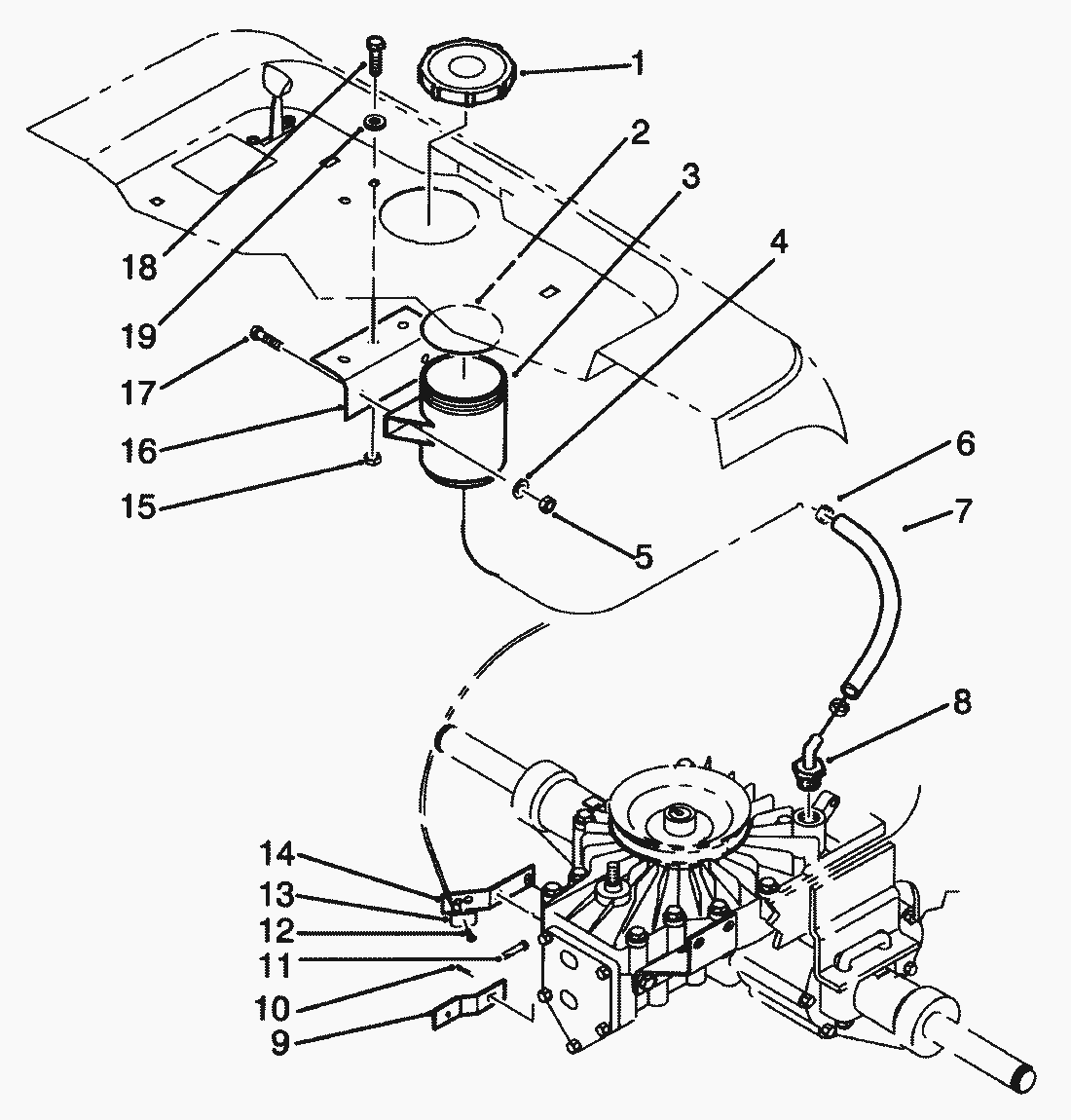
1
Reservoir Assembly (Incl. Ref.
79-1100
2
Gasket-Cover
114563
3
Reservoir
79-3510
Reservoir Assembly (Incl. Ref.
79-3500
4
Washer
3256-22
5
MUTTER
3296-42
6
Clamp-Hose
79-2380
7
Hose-Reservoir
79-2360
8
Barb-Hose
79-7080
9
Plate-Arm
116398
10
Pin-Cotter
932000
11
Pin-Clevis
932948
12
Screw
926566
13
Clamp
111688
14
Plate-Mounting
79-0380
15
MUTTER
3296-29
16
Bracket
78-8810
17
Screw-Hex Hd.
321-6
18
Hex Hd. Capscrew
322-5
19
Washer
3256-23
Toro
Roth / TORO
Ride-On Mowers
Traktor
264-6
246 HE
309/72101
3900001
Electrical Schematic
Transmission Eaton Model 751-045
Engine TORO Power Plus
Fender and Seat Assy.
Hydraulic Reservoir Assy.
Rear Wheel and Transmission Assy.
Brake and Hydro Linkage
Brake Pedal Assy.
Idler and Pedal Shaft Assy.
Lift Bar Linkage Assy.
Dash Assy.
Steering Shaft and Indicator Assy.
Steering Wheel and Console Assy.
Fuel Tank and Steering Bracket Assy.
Clutch Assy. 92-1686
Battery Mount Assy.
Engine and Clutch
Front Axle Assy.
Main Frame Assy.
Hood Assy.
244-5
212-H
212-5
17-44 HXLE
16-44 HXL
16-38 HXL
16-38 XLE
15-44 HXL
15-38 HXL
14-38 HXL
14-38 XL
13-38 HXL
13-38 XL
13-32 XLE
12-38 HXL
12-38 XL
12-32 XL
264 H
265 H
267 H
268 H
270 H
520 xi
520 Lxi
523 Dxi
Rider
Mower decks
Attachements
Hand operated
Robin
Condiciones
(C) by motoruf