volver a
>
Roth / TORO
>
Ride-On Mowers
>
Traktor
>
246 HE
>
309/72101
>
3900001
>
Engine and Clutch
Lista de repuestos para Toro Roth / TORO Engine and Clutch
pos.
descripción
Número de pieza
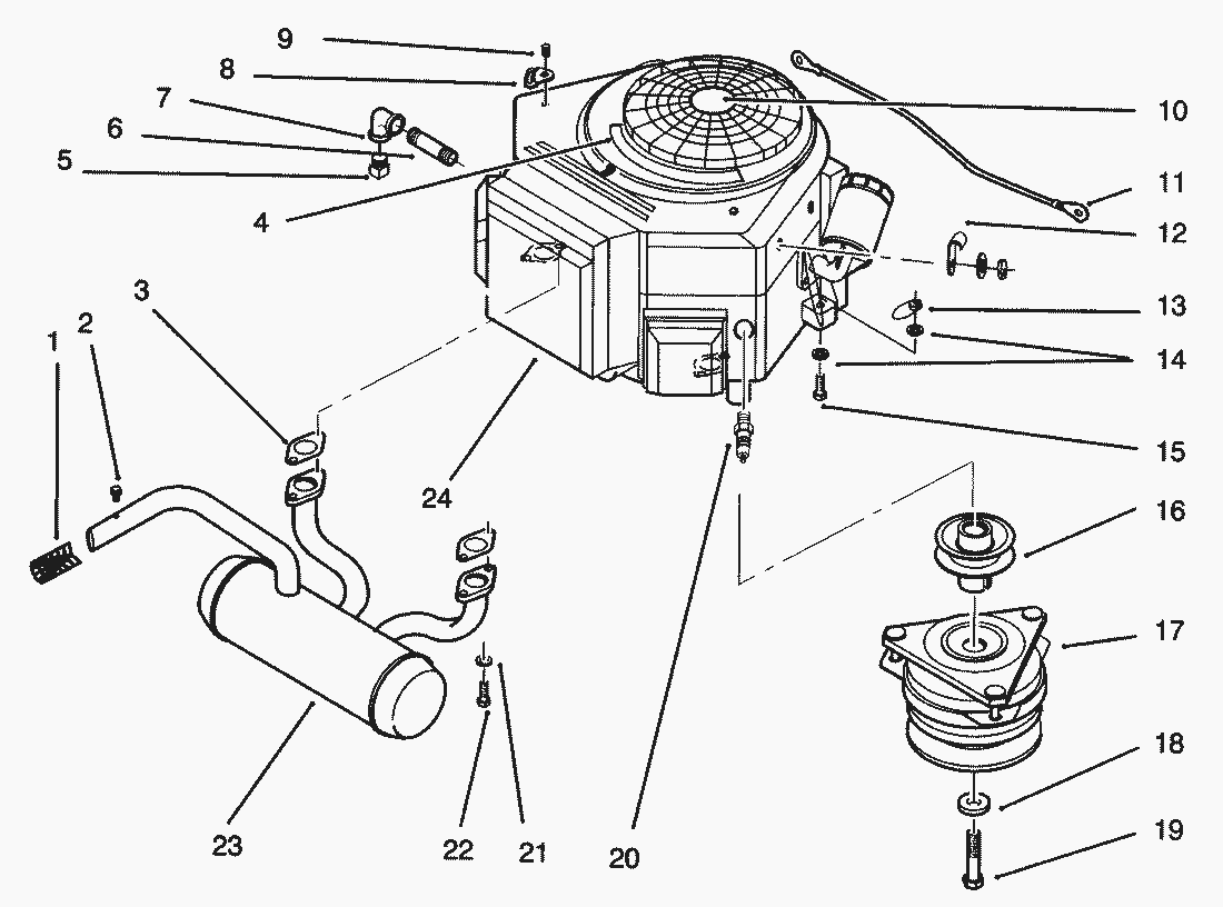
1
Spark Arrestor
115356
2
Screw
911652
3
Gasket-Exhaust
118500
4
Decal-16 hp. Power Plus
92-1687
5
Plug
281-2
6
Nipple-Pipe
289-45
7
Fitting-90ø
114764
8
Clevis
115413
9
Screw-Incl. w/Engine
78-4800
10
Decal-TORO
120040
11
Wire-Starter to Solenoid
1112757
12
Clip-J
111392
13
MUTTER
3296-29
14
Washer
3256-23
15
Capscrew
322-9
16
Pulley-Engine
78-6610
17
Clutch-PTO
92-1686
18
Washer
112843
19
Screw-Hex. Hd.
9114466
20
Plug-Spark
NN10820
21
Lockwasher
3253-4
22
Socket Allen Hd. Screw
911066
23
Muffler
79-1210
24
Engine
79-3150
Toro
Roth / TORO
Ride-On Mowers
Traktor
264-6
246 HE
309/72101
3900001
Electrical Schematic
Transmission Eaton Model 751-045
Engine TORO Power Plus
Fender and Seat Assy.
Hydraulic Reservoir Assy.
Rear Wheel and Transmission Assy.
Brake and Hydro Linkage
Brake Pedal Assy.
Idler and Pedal Shaft Assy.
Lift Bar Linkage Assy.
Dash Assy.
Steering Shaft and Indicator Assy.
Steering Wheel and Console Assy.
Fuel Tank and Steering Bracket Assy.
Clutch Assy. 92-1686
Battery Mount Assy.
Engine and Clutch
Front Axle Assy.
Main Frame Assy.
Hood Assy.
244-5
212-H
212-5
17-44 HXLE
16-44 HXL
16-38 HXL
16-38 XLE
15-44 HXL
15-38 HXL
14-38 HXL
14-38 XL
13-38 HXL
13-38 XL
13-32 XLE
12-38 HXL
12-38 XL
12-32 XL
264 H
265 H
267 H
268 H
270 H
520 xi
520 Lxi
523 Dxi
Rider
Mower decks
Attachements
Hand operated
Robin
Condiciones
(C) by motoruf