volver a
>
Roth / TORO
>
Ride-On Mowers
>
Traktor
>
212-H
>
303/R2-12OE02
>
2000001
>
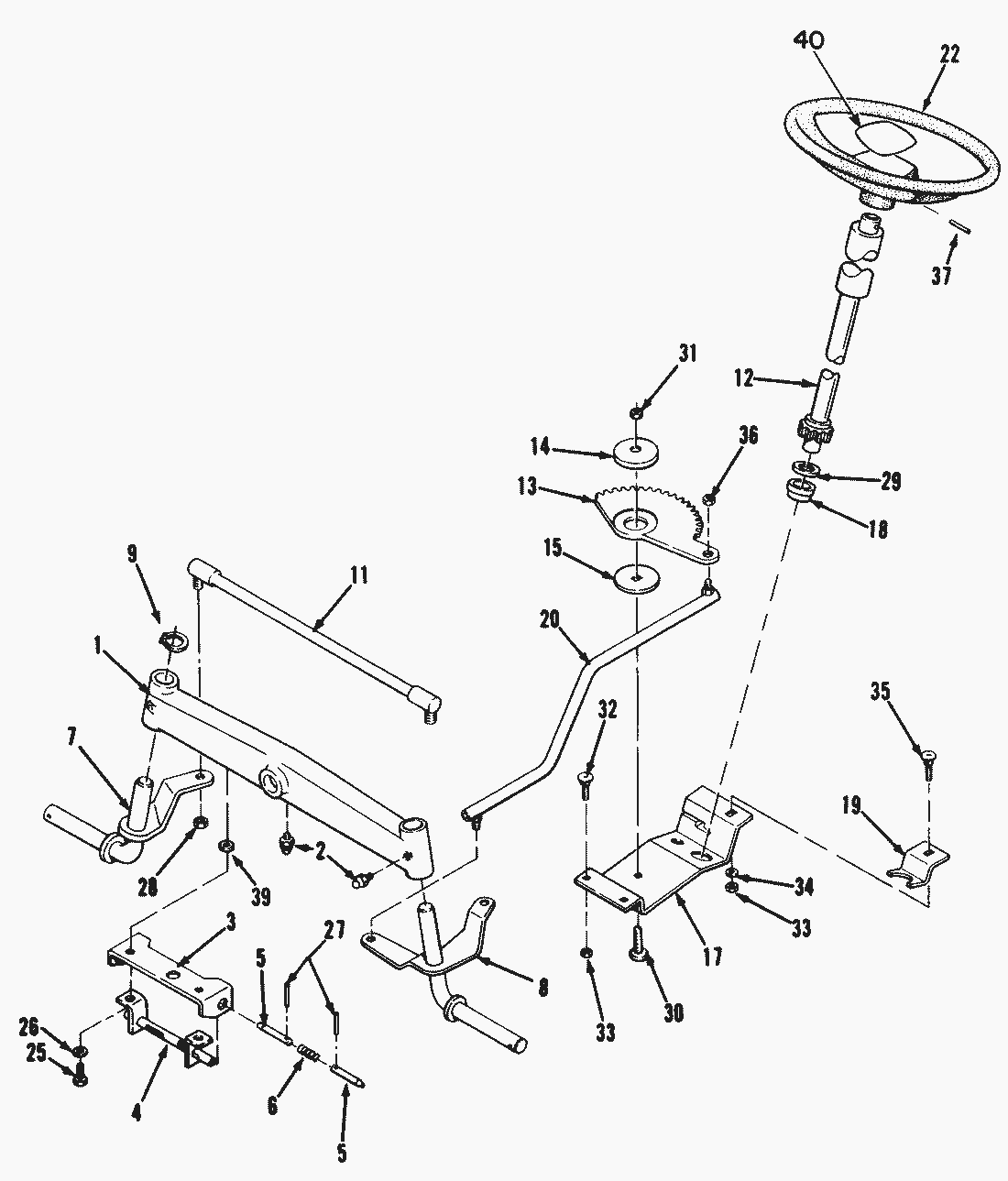
Front Axle & Steering Assy.
Lista de repuestos para Toro Roth / TORO Front Axle & Steering Assy.
pos.
descripción
Número de pieza
1
Axle-Front
114385
2
Grease Fitting
302-5
3
Bracket-Support
112847
4
Tube
113044
5
Pin
113030
6
Spring
111531
7
Spindle-R.H.
111406
8
Spineld-L.H.
111409
9
Ring-Retaining
32120-93
11
Rod-Tie
112981
12
Shaft-Pinion
79-5660
13
Gear-Sector
111417
14
Bushing-Eccentric
111418
15
Washer
111419
17
Bracket-Steering Gear
78-1991
Bracket-Steering Gear (212-H)
78-3221
18
Bushing
110391
19
Retainer
111422
20
Rod-Drag Link
111423
22
Wheel-Steering
78-3100
25
Capscrew
322-4
26
Lockwasher
3253-4
27
Spin-Spirol
32121-103
28
Nut-Lock
915001
29
Shim Washer
3765
30
Bolt
3231-28
31
Nut-Lock
108881
32
Bolt-Carriage
3230-22
33
Nut-Lock
3229-29
34
Washer
3256-23
35
Carriage Bolt
3230-2
36
Nut-Lock
915002
37
Pin-Spirol
32121-111
39
Washer-Special
2844
40
Insert-Steering Wheel
78-0370
Toro
Roth / TORO
Ride-On Mowers
Traktor
264-6
246 HE
244-5
212-H
303/R2-12OE02
2000001
Decal & Misc. Parts Assy.
12HP Engine Carburetor Assy.
12HP Engine Starter Assy.
12HP Engine Flywheel & Cover Assy.
12HP Engine Governor Linkage & Cover Assy.
12HP Engine Air Cleaner Assy.
12HP Engine Ignition Assy.
12HP Engine Cylinder Head & Valves Assy.
12HP Engine Oil Base & Pump Assy.
12HP Engine Crankshaft & Camshaft Assy.
12HP Engine Cylinder Block Assy.
Engine Fuel & Exhaust Assy.
Engine Pulley & PTO Clutch Assy.
Brake & Idler Assy. (212-H)
Transmission Linkage Assy. (212-H)
Sweeper P.T.O. Assy. (212-H)
Transmission Assy. (210-H & 212-H)
Brake & Idler Assy. (212-5)
Sweeper P.T.O. Assy. (212-5)
Peerless Transmission Model No. 930-020* (212-5)
Transmission Assy. (212-5)
Wheel & Tire Assy.
Front Axle & Steering Assy.
Electrical System Assy.
Frame Assy.
Seat Assy.
Body Assy.
303/R2-12OE01
212-5
17-44 HXLE
16-44 HXL
16-38 HXL
16-38 XLE
15-44 HXL
15-38 HXL
14-38 HXL
14-38 XL
13-38 HXL
13-38 XL
13-32 XLE
12-38 HXL
12-38 XL
12-32 XL
264 H
265 H
267 H
268 H
270 H
520 xi
520 Lxi
523 Dxi
Rider
Mower decks
Attachements
Hand operated
Robin
Condiciones
(C) by motoruf