volver a
>
Roth / TORO
>
Ride-On Mowers
>
Traktor
>
212-H
>
303/R2-12OE02
>
2000001
>
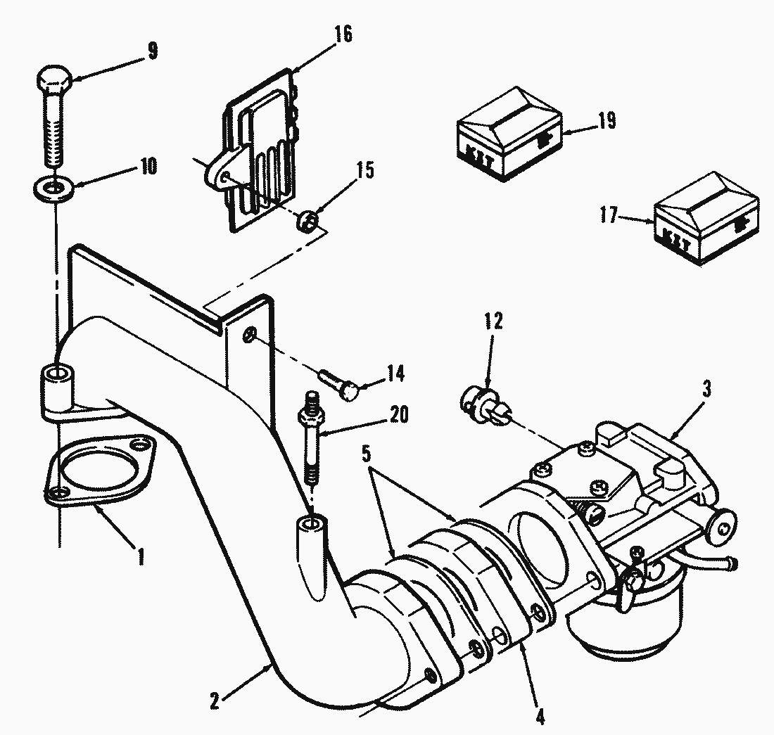
12HP Engine Carburetor Assy.
Lista de repuestos para Toro Roth / TORO 12HP Engine Carburetor Assy.
pos.
descripción
Número de pieza
1
Gasket
NN10666
2
Elbow-Intake
NN10667
3
Carburetor Assembly
NN10668
4
Insulator
NN10669
5
Gasket
NN10670
9
Screw-Cap Hex. Hd.
79-5820
10
Washer-Flat
79-5830
12
Clip-Link
NN10674
14
Screw-Hex. Washer Hd.
NN10371
15
Bushing
57-9120
16
Regulator-Voltage
57-9430
17
Kit-Float
NN10906
19
Kit-Carburetor Repair
NN10907
20
Stud
NN10701
Toro
Roth / TORO
Ride-On Mowers
Traktor
264-6
246 HE
244-5
212-H
303/R2-12OE02
2000001
Decal & Misc. Parts Assy.
12HP Engine Carburetor Assy.
12HP Engine Starter Assy.
12HP Engine Flywheel & Cover Assy.
12HP Engine Governor Linkage & Cover Assy.
12HP Engine Air Cleaner Assy.
12HP Engine Ignition Assy.
12HP Engine Cylinder Head & Valves Assy.
12HP Engine Oil Base & Pump Assy.
12HP Engine Crankshaft & Camshaft Assy.
12HP Engine Cylinder Block Assy.
Engine Fuel & Exhaust Assy.
Engine Pulley & PTO Clutch Assy.
Brake & Idler Assy. (212-H)
Transmission Linkage Assy. (212-H)
Sweeper P.T.O. Assy. (212-H)
Transmission Assy. (210-H & 212-H)
Brake & Idler Assy. (212-5)
Sweeper P.T.O. Assy. (212-5)
Peerless Transmission Model No. 930-020* (212-5)
Transmission Assy. (212-5)
Wheel & Tire Assy.
Front Axle & Steering Assy.
Electrical System Assy.
Frame Assy.
Seat Assy.
Body Assy.
303/R2-12OE01
212-5
17-44 HXLE
16-44 HXL
16-38 HXL
16-38 XLE
15-44 HXL
15-38 HXL
14-38 HXL
14-38 XL
13-38 HXL
13-38 XL
13-32 XLE
12-38 HXL
12-38 XL
12-32 XL
264 H
265 H
267 H
268 H
270 H
520 xi
520 Lxi
523 Dxi
Rider
Mower decks
Attachements
Hand operated
Robin
Condiciones
(C) by motoruf