volver a
>
Roth / TORO
>
Ride-On Mowers
>
Traktor
>
212-H
>
303/R2-12OE02
>
2000001
>
Frame Assy.
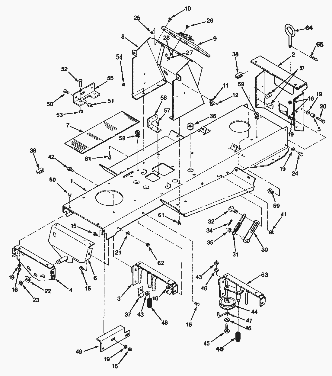
Lista de repuestos para Toro Roth / TORO Frame Assy.
pos.
descripción
Número de pieza
1
Frame
78-1640
2
Plate-Rear Drawbar
114417
3
Plate-Frame Support (212-H)
112850
4
Plate-Front Axle Support
111397
5
Roller-Cam
114610
6
Support-Rear Axle
112977
7
Mat-Footrest
110180
8
Hoodstand
78-3390
9
Panel-Console
111467
10
Screw-Pan Hd.
111499
11
Keeper-Latch
117343
12
Rivet-Pop
117431
15
Carriage Bolt
3230-16
16
MUTTER
3296-29
19
Washer
3256-23
20
Capscrew
322-6
21
Int.Tooth Lockwasher
3254-2
22
Washer-Shim (.050)
1278
Washer-Shim (.015) * Not Illustrated
5210
23
Ring-Retaining
32120-93
24
Capscrew
322-3
25
Nut-Hex
915740
26
Screw
910837
27
Nut-Hex
3217-5
28
Lockwasher
3253-3
30
Link
111524
31
Spring
111527
32
Cam-Adjustment
78-1670
34
Pin-Cotter
3272-16
35
Washer-Special
920242
36
Bushing
938031
37
Clip
8830
38
Retainer
113116
41
Nut
109779
42
Screw-Cap Hex Hd.
323-7
43
Locknut
3296-39
44
Pulley-Idler
110370
45
Capscrew
323-10
46
Flat Washer
3256-24
47
Retainer-Belt
109230
48
Grip
111439
49
Bracket-L.H.
114989
Bracket-R.H.
114990
50
Screw-Hex Hd.
960151
51
MUTTER
3296-42
52
Screw
910796
53
Nut-Hex
915740
54
Plug-Nylon
938050
55
Braclet-Fuse
117142
56
Bracket-Switch
78-2050
57
Screw-Machine
926640
58
Clip-Snap-In
115860
59
Clip-Snap-In
115858
60
Carriage Bolt
900036
61
Bolt
926697
62
Eslok Nut
915112
63
Plate-Frame Support (212-5)
114851
64
Tool Pin
106634
65
Cotter-Hairpin
933505
Toro
Roth / TORO
Ride-On Mowers
Traktor
264-6
246 HE
244-5
212-H
303/R2-12OE02
2000001
Decal & Misc. Parts Assy.
12HP Engine Carburetor Assy.
12HP Engine Starter Assy.
12HP Engine Flywheel & Cover Assy.
12HP Engine Governor Linkage & Cover Assy.
12HP Engine Air Cleaner Assy.
12HP Engine Ignition Assy.
12HP Engine Cylinder Head & Valves Assy.
12HP Engine Oil Base & Pump Assy.
12HP Engine Crankshaft & Camshaft Assy.
12HP Engine Cylinder Block Assy.
Engine Fuel & Exhaust Assy.
Engine Pulley & PTO Clutch Assy.
Brake & Idler Assy. (212-H)
Transmission Linkage Assy. (212-H)
Sweeper P.T.O. Assy. (212-H)
Transmission Assy. (210-H & 212-H)
Brake & Idler Assy. (212-5)
Sweeper P.T.O. Assy. (212-5)
Peerless Transmission Model No. 930-020* (212-5)
Transmission Assy. (212-5)
Wheel & Tire Assy.
Front Axle & Steering Assy.
Electrical System Assy.
Frame Assy.
Seat Assy.
Body Assy.
303/R2-12OE01
212-5
17-44 HXLE
16-44 HXL
16-38 HXL
16-38 XLE
15-44 HXL
15-38 HXL
14-38 HXL
14-38 XL
13-38 HXL
13-38 XL
13-32 XLE
12-38 HXL
12-38 XL
12-32 XL
264 H
265 H
267 H
268 H
270 H
520 xi
520 Lxi
523 Dxi
Rider
Mower decks
Attachements
Hand operated
Robin
Condiciones
(C) by motoruf