volver a
>
Roth / TORO
>
Ride-On Mowers
>
Traktor
>
212-H
>
303/R2-12OE02
>
2000001
>
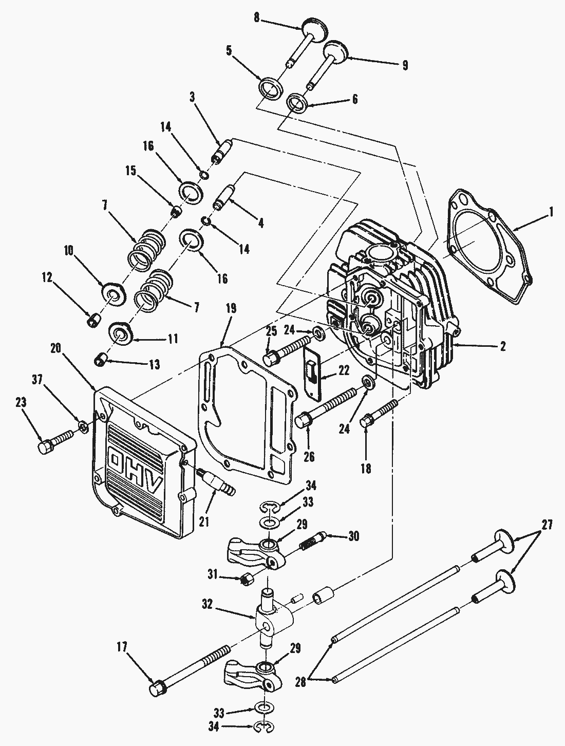
12HP Engine Cylinder Head & Valves Assy.
Lista de repuestos para Toro Roth / TORO 12HP Engine Cylinder Head & Valves Assy.
pos.
descripción
Número de pieza
NN10593
NN10594
pos.
descripción
Número de pieza
1
Gasket-Cylinder Head
NN10592
3
Guide-Intake Valve
79-5880
4
Guide-Exhaust Valve
79-5870
5
6
7
Spring-Valve
NN10597
8
Valve-Intake
NN10598
9
Valve-Exhaust
NN10599
10
Retainer-Intake
NN10600
11
Fitting-45ø
NN10611
12
Lock-Intake
NN10602
13
Lock-Exhaust
NN10603
14
Ring
NN10604
15
Seal-Intake
NN10605
16
Washer
NN10606
17
Bolt
NN10607
18
Bolt
NN10608
19
Gasket
NN10609
20
Cover-Valve
92-0930
21
Fitting-45ø
NN10611
22
Breather
NN10612
23
Screw-Hex. Socket Hd.
NN10613
24
Washer
NN10614
25
Bolt
NN10615
26
Bolt
NN10616
27
Tappet
NN10617
28
Rod-Push
NN10618
29
Rocker Arm Assembly (Incl. Ref.
NN10619
30
Screw
NN10620
31
Nut
NN10621
32
Shaft-Rocker Arm
NN10622
33
Washer-Rocker Arm
NN10623
34
Clip-Retainer
NN10624
35
Pin-Dowel
NN10625
36
Pin-Dowel
NN10626
37
Washer-Flat
82-1340
Toro
Roth / TORO
Ride-On Mowers
Traktor
264-6
246 HE
244-5
212-H
303/R2-12OE02
2000001
Decal & Misc. Parts Assy.
12HP Engine Carburetor Assy.
12HP Engine Starter Assy.
12HP Engine Flywheel & Cover Assy.
12HP Engine Governor Linkage & Cover Assy.
12HP Engine Air Cleaner Assy.
12HP Engine Ignition Assy.
12HP Engine Cylinder Head & Valves Assy.
12HP Engine Oil Base & Pump Assy.
12HP Engine Crankshaft & Camshaft Assy.
12HP Engine Cylinder Block Assy.
Engine Fuel & Exhaust Assy.
Engine Pulley & PTO Clutch Assy.
Brake & Idler Assy. (212-H)
Transmission Linkage Assy. (212-H)
Sweeper P.T.O. Assy. (212-H)
Transmission Assy. (210-H & 212-H)
Brake & Idler Assy. (212-5)
Sweeper P.T.O. Assy. (212-5)
Peerless Transmission Model No. 930-020* (212-5)
Transmission Assy. (212-5)
Wheel & Tire Assy.
Front Axle & Steering Assy.
Electrical System Assy.
Frame Assy.
Seat Assy.
Body Assy.
303/R2-12OE01
212-5
17-44 HXLE
16-44 HXL
16-38 HXL
16-38 XLE
15-44 HXL
15-38 HXL
14-38 HXL
14-38 XL
13-38 HXL
13-38 XL
13-32 XLE
12-38 HXL
12-38 XL
12-32 XL
264 H
265 H
267 H
268 H
270 H
520 xi
520 Lxi
523 Dxi
Rider
Mower decks
Attachements
Hand operated
Robin
Condiciones
(C) by motoruf