volver a
>
Roth / TORO
>
Ride-On Mowers
>
Traktor
>
212-H
>
303/R2-12OE01
>
1000001
>
Sweeper P.T.O. Assy. (212-5)
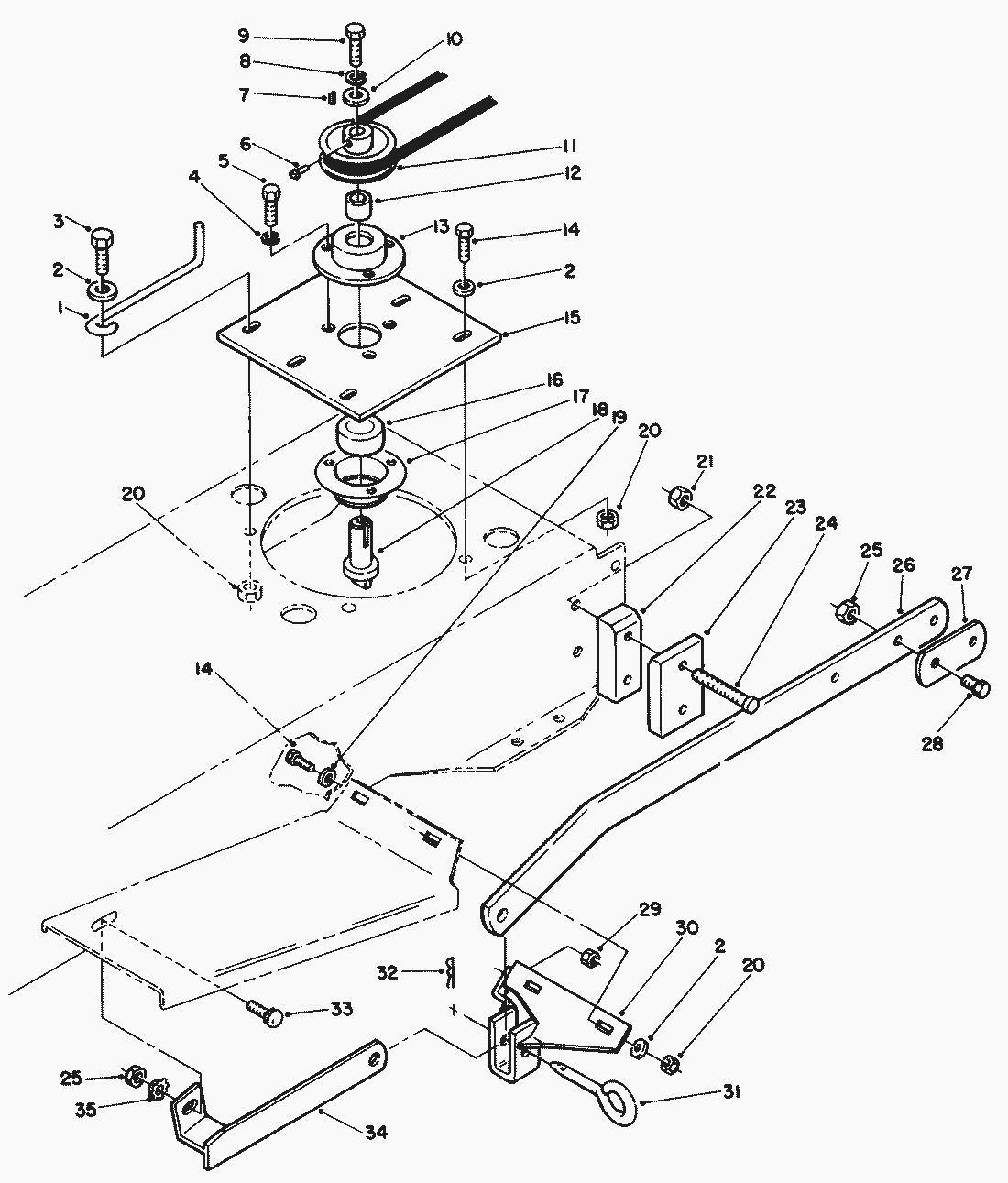
Lista de repuestos para Toro Roth / TORO Sweeper P.T.O. Assy. (212-5)
pos.
descripción
Número de pieza
1
Guide-Belt
119350
2
Washer
3256-23
3
Hex Hd. Capscrew
322-5
4
Lockwasher
3253-3
5
Capscrew
321-2
6
Screw-Sq. Hd. Set
3242-2
7
Key-Square
6366
8
Washer-Lock
3253-21
9
Capscrew
323-6
10
Washer-Special
2844
11
Pulley
114740
12
Spacer-Shaft
114741
13
Cup-Bearing
1-2533
14
Capscrew
322-3
15
Plate-Mounting
114686
16
Bearing-Ball
102534
17
Bering Cup & Nuts
102536
18
Shjaft-Drive
116119
19
Washer-Special
920267
20
MUTTER
3296-29
21
MUTTER
3296-42
22
Spacer-Rubber
114762
23
Block-Rubber
114756
24
Screw-Pan Hd.
910842
25
Locknut
3296-39
26
Bar-Pivot
116784
27
Spacer
114757
28
Screw-Cap Hex Hd.
323-7
29
Eslok Nut
915112
30
Bracket-L.H.
114723
Bracket-R.H.
114724
31
Tool Pin
106634
32
Cotter-Hairpin
933505
33
Carriage Bolt
3231-25
34
Brace-L.H.
117389
Brace-R.H.
117390
35
Washer
1336
Toro
Roth / TORO
Ride-On Mowers
Traktor
264-6
246 HE
244-5
212-H
303/R2-12OE02
303/R2-12OE01
1000001
Decal & Misc. Parts Assy.
12HP Engine Carburetor Assy.
12HP Engine Starter Assy.
12HP Engine Flywheel & Cover Assy.
12HP Engine Governor Linkage & Cover Assy.
12HP Engine Air Cleaner Assy.
12HP Engine Ignition Assy.
12HP Engine Cylinder Head & Valves Assy.
12HP Engine Oil Base & Pump Assy.
12HP Engine Crankshaft & Camshaft Assy.
12HP Engine Cylinder Block Assy.
Engine Fuel & Exhaust Assy.
Engine Pulley & PTO Clutch Assy.
Brake & Idler Assy. (212-H)
Transmission Linkage Assy. (212-H)
Sweeper P.T.O. Assy. (212-H)
Transmission Assy. (212-H)
Brake & Idler Assy. (212-5)
Sweeper P.T.O. Assy. (212-5)
Peerlesss Transmission Model No. 930-020 (212-5)
Transmission Assy. (212-5)
Wheel & Tire Assy.
Front Axle & Steering Assy.
Electrical System Assy.
Frame Assy.
Body Assy.
Seat Assy.
212-5
17-44 HXLE
16-44 HXL
16-38 HXL
16-38 XLE
15-44 HXL
15-38 HXL
14-38 HXL
14-38 XL
13-38 HXL
13-38 XL
13-32 XLE
12-38 HXL
12-38 XL
12-32 XL
264 H
265 H
267 H
268 H
270 H
520 xi
520 Lxi
523 Dxi
Rider
Mower decks
Attachements
Hand operated
Robin
Condiciones
(C) by motoruf