.es
Cesta
vacia
Mi cuenta
Registrarse
Iniciar sesión
Home
Contacto
Nuestra empresa
Álbum de visitantes
Envío
Condiciones y Privacidad
Datos identificativos
Piezas de repuesto
Búsqueda por nº de artículo
Listas de piezas de repuesto y dibujos
Cadenas de sierra
Espadas
Piñones
Antiguedades
Catálogo
Jardín
Industria
Artículos eléctricos
Filtro
Correas trapezoidales / poleas de correa
Artículos de invierno
Trabajos forestales
Piezas de máquinas
Taller
Piezas del motor
Cortar, desbrozar
Juguetería
Lo más vendido
Servicios
Servicio de búsqueda
Determinar cadena de sierra
DE
EN
FR
ES
IT
Versión móvil de la página
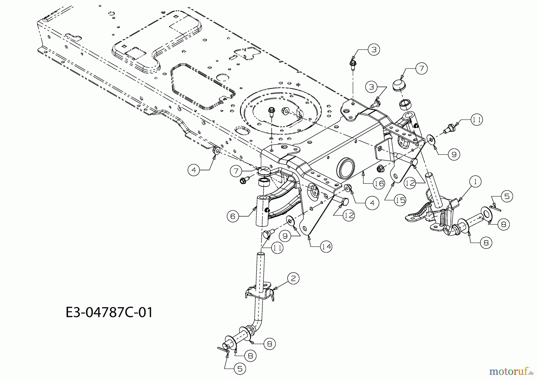
Champ CHAMP 25-105 13AI517N679 (2010) Front axle Listas de piezas de repuesto y dibujos
Start
Champ
Lawn tractors
CHAMP 25-105
13AI517N679 (2010)
Front axle
Front axle 13AI517N679 (2010)
Pos
Número de artículo
Descripción
1
611-04050
AXLE ASM:LH:.750 DIA
2
611-04049
AXLE ASM:RH .750 DIA
3
710-1260A
SCR:TT:5/16-18:0.750:HXINDWSH
4
712-04065
NUT:FLGLK:3/8-16:GRF:NYLON
5
714-0162
PIN-COTTER:5/32:1.25
6
719-04177A
ESSIEU AVANT FONTE
7
726-0341
CAP
8
736-0316
WASHER:FLAT:.78 x 1.59 x 060
9
736-0331
WASH:BELL:.390 x 1.13 x.062
11
738-0143
SCR:SHLDR:.496x.336:3/8-16
12
738-1011A
BOLT:SHLDR:.500 x 2.23:3/8-16
13
748-04068
SPCR:.77 ID x 1.13 OD x.56 LG
14
783-0726E
BRKT:PIVOT:SUPT RH
15
783-0727D
BRKT:PIVOT:SUPT LH
16
783-0728B
BRKT:PIVOT:BAR
Gestión de calidad
Ayúdenos a mejorar esta página. Infórmenos de los errores que haya encontrado.