.es
Cesta
vacia
Mi cuenta
Registrarse
Iniciar sesión
Home
Contacto
Nuestra empresa
Álbum de visitantes
Envío
Condiciones y Privacidad
Datos identificativos
Piezas de repuesto
Búsqueda por nº de artículo
Listas de piezas de repuesto y dibujos
Cadenas de sierra
Espadas
Piñones
Antiguedades
Catálogo
Jardín
Industria
Artículos eléctricos
Filtro
Correas trapezoidales / poleas de correa
Artículos de invierno
Trabajos forestales
Piezas de máquinas
Taller
Piezas del motor
Cortar, desbrozar
Juguetería
Lo más vendido
Servicios
Servicio de búsqueda
Determinar cadena de sierra
DE
EN
FR
ES
IT
Versión móvil de la página
Bestgreen BM 20105 HRBK 13AT715N655 (2012) Steering Listas de piezas de repuesto y dibujos
Start
Bestgreen
Lawn tractors
BM 20105 HRBK
13AT715N655 (2012)
Steering
Steering 13AT715N655 (2012)
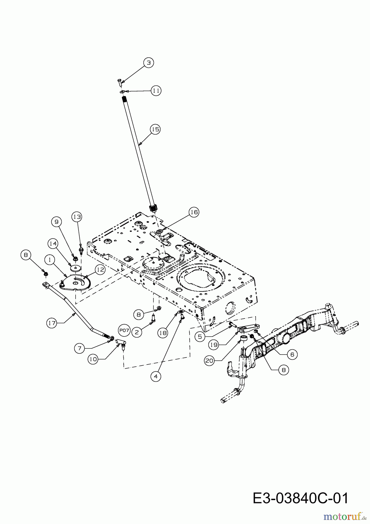
Pos
Número de artículo
Descripción
1
617-04094
GEAR ASM:FRT:STRG LT-5
2
710-0514
HHCS:3/8-16:1.00:GR5:STD
3
710-0643
HHCS:5/16-18:1.00:GR5:LOCK
4
710-1309
SCR:MACH:5/16-18:0.750:PANPHI
5
710-3180
HHCS:5/16-18:1.75:GR5:STD
6
712-0214
NUT:HEXLK:3/8-24:GRB:CTRLK
7
712-0240
NUT:JAM:7/16-20:GR2
8
712-04063
FLANGED NUT 5/16-18:GRF:NYLON
9
712-04065
NUT:FLGLK:3/8-16:GRF:NYLON
10
723-0448A
B/JNT:7/16-20:LOCK
11
736-0242
WASH:BLVL:.340 x .872 x .060
13
738-04141
SCR:SHLDR:.435X.350:5/16-18
14
738-04162A
SPACER:SHLDR:.8840 x.190
15
738-0919A
SHFT:STG:5/8 SPLINE x 22.08 LG
16
741-04124
BRG:FLG:HEX 5/8 PM
17
747-05464
LINK:DRAG:STRG:18.3"
18
748-0389
CAP:1.25 X .16
19
748-04065
STEERING CAM
20
748-04068
SPCR:.77 ID x 1.13 OD x.56 LG
Gestión de calidad
Ayúdenos a mejorar esta página. Infórmenos de los errores que haya encontrado.