Golf Junior 02819.09 (1996) Basic machine Listas de piezas de repuesto y dibujos
Basic machine 02819.09 (1996)

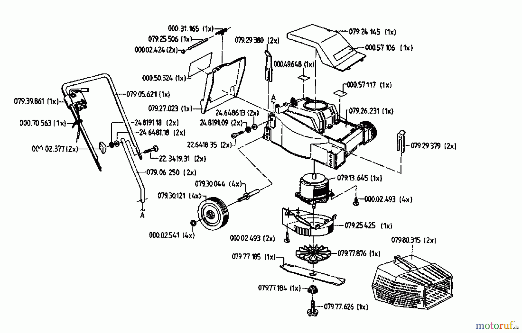
| Pos | Número de artículo | Descripción | |
| 079. | 079.30.121 | Wheel | |
| 079. | 079.30.044 | Bolt | |
| 079. | ![]() | 079.77.626 | Screw |
| 079. | 079.77.185 | BLADE | |
| 079. | 079.06.250 | Handle tube | |
| 000. | 000.02.541 | CLAMP RIN | |
| 079. | 079.77.184 | LOCK WASHER | |
| 079. | ![]() | 079.77.876 | BLADE HUB |
| 000. | 000.57.117 | ERSATZTYPENSCHILD GOLF JUNIOR | |
| 079. | 079.26.231 | Mower housing | |
| 079. | 079.29.379 | Adjusting lever front | |
| 079. | 079.24.145 | HOOD | |
| 079. | 079.13.645 | ELECTRIC MOTOR 800W 230V | |
| 079. | 079.25.425 | COVER | |
| 000. | 000.57.106 | KLEBESCHILD GOLF JUNIOR | |
| 079. | 079.80.315 | GRASSBOX UPR PART MELON YELLOW | |
| 079. | 079.27.023 | REAR FLAP | |
| 079. | 079.29.380 | HEIGHT ADJ LEVER | |
| 000. | 000.70.563 | CABLE TIE | |
| 000. | 000.49.648 | LABEL | |
| 000. | 000.02.377 | WING NUT | |
| 000. | 000.02.424 | Retaining cap | |
| 079. | 079.39.861 | SWITCH PLUG COMBINATION | |
| 000. | 000.31.165 | SPRING-EXTENSION | |
| 079. | 079.05.621 | Upper handle assy. | |
| 24.8 | 24.8191.09 | Spring washer | |
| 22.3 | 22.3419.31 | Screw | |
| 24.8 | 24.8191.18 | L-washer | |
| 24.6 | 24.6486.13 | Washer | |
| 079. | 079.25.506 | Rod | |
| 22.6 | 22.6418.35 | Screw | |
| 000. | 000.02.493 | SCREW | |
| 24.6 | 24.6481.18 | WASHER 8.4 DIN125 | |
| 000. | 000.50.324 | Decal | |


Gestión de calidad
Ayúdenos a mejorar esta página. Infórmenos de los errores que haya encontrado.



