.es
Home
Contacto
Nuestra empresa
Álbum de visitantes
Envío
Condiciones y Privacidad
Datos identificativos
Piezas de repuesto
Búsqueda por nº de artículo
Listas de piezas de repuesto y dibujos
Cadenas de sierra
Espadas
Piñones
Antiguedades
Catálogo
Jardín
Industria
Artículos eléctricos
Filtro
Correas trapezoidales / poleas de correa
Artículos de invierno
Trabajos forestales
Piezas de máquinas
Taller
Piezas del motor
Cortar, desbrozar
Juguetería
Lo más vendido
Servicios
Servicio de búsqueda
Determinar cadena de sierra
Mi cuenta
Registrarse
Iniciar sesión
Configuración
DE
EN
FR
ES
IT
Escritorio
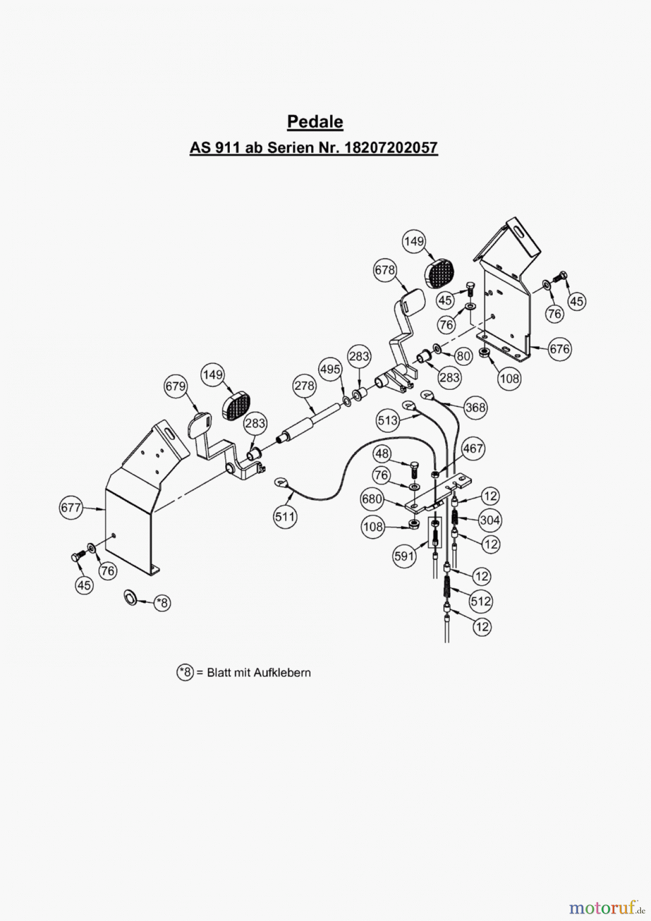
AS-Motor (neu) Aufsitzmäher AS 911, AS 915 Enduro ab FNr. 018208020001 Pedale Listas de piezas de repuesto y dibujos
Start
AS-Motor (neu)
Hochgras
Aufsitzmäher
AS 911, AS 915 Enduro
ab FNr. 018208020001
Pedale
Pedale ab FNr. 018208020001
Pos
Número de artículo
Descripción
*8
G06650189
Blatt mit Aufklebern
12
G06650107
Buchse
45
G07838028
6kt- Schraube
48
G07838029
6kt- Schraube
76
G07809004
Scheibe
80
G07812006
Federscheibe
108
G00007042
Sperrzahnmutter
149
G06650137
Pedalbelag
278
G06650232
Achse
283
G06650237
Buchse
304
G06650372
Druckfeder
368
G06650312
Bowdenzug Fahrantriebshebel
467
G07839014
6kt- Mutter
495
G07847047
Passscheibe
511
G06650483
Bowdenzug f.Differentialsperre
512
G06650484
Druckfeder
513
G06650485
Bremszug
591
G06650566
Stellschraube
676
G06650852
Ersetzt durch G06651125
677
G06650851
Pedalhalter links
678
G06650854
Teil nicht mehr lieferbar.
679
G06650853
Differentialpedal
680
G06650855
Bowdenzughalter
Gestión de calidad
Ayúdenos a mejorar esta página. Infórmenos de los errores que haya encontrado.