.es
Cesta
vacia
Mi cuenta
Registrarse
Iniciar sesión
Home
Contacto
Nuestra empresa
Álbum de visitantes
Envío
Condiciones y Privacidad
Datos identificativos
Piezas de repuesto
Búsqueda por nº de artículo
Listas de piezas de repuesto y dibujos
Cadenas de sierra
Espadas
Piñones
Antiguedades
Catálogo
Jardín
Industria
Artículos eléctricos
Filtro
Correas trapezoidales / poleas de correa
Artículos de invierno
Trabajos forestales
Piezas de máquinas
Taller
Piezas del motor
Cortar, desbrozar
Juguetería
Lo más vendido
Servicios
Servicio de búsqueda
Determinar cadena de sierra
DE
EN
FR
ES
IT
Versión móvil de la página
PROTO TORQUE MULTIPLIER 2200 FT J6222 Listas de piezas de repuesto y dibujos
Start
PROTO
Divers
TORQUE MULTIPLIER 2200 FT
J6222
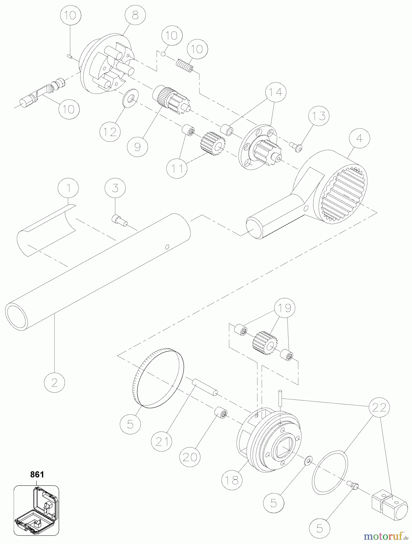
Seite 1
J6222 TORQUE MULTIPLIER 2200 FT
Pos
Número de artículo
Descripción
1
SB-5140180-39
PLACA DEL CONSTRUC.
2
SB-E292ARM
E292ARM FOR J6222
3
SB-5140179-93
TORNILLO
4
SB-5140180-36
RING GEAR
5
SB-392HK
HARDWARE KIT
8
SB-5140180-03
INPUT END ASSY.
9
SB-E392-PK
INPUT PINION
10
SB-E392-SK
PAWL SELECTOR
11
SB-393-18
INPUT PLANT W/BEARIN
12
SB-5140179-99
THRUST RACE
13
SB-5140180-00
TORNILLO
14
SB-392-17
KIT SECONDARY PINION
18
SB-5140180-35
GEAR CAGE
19
SB-5140180-29
PLANET GEAR
20
SB-5140179-92
BUSHING
21
SB-5140180-37
DOWEL PIN
22
SB-J6222RD
SQUARE DRIVE KIT
861
SB-5140192-77
CARRYING CASE
Gestión de calidad
Ayúdenos a mejorar esta página. Infórmenos de los errores que haya encontrado.