.es
Cesta
vacia
Mi cuenta
Registrarse
Iniciar sesión
Home
Contacto
Nuestra empresa
Álbum de visitantes
Envío
Condiciones y Privacidad
Datos identificativos
Piezas de repuesto
Búsqueda por nº de artículo
Listas de piezas de repuesto y dibujos
Cadenas de sierra
Espadas
Piñones
Antiguedades
Catálogo
Jardín
Industria
Artículos eléctricos
Filtro
Correas trapezoidales / poleas de correa
Artículos de invierno
Trabajos forestales
Piezas de máquinas
Taller
Piezas del motor
Cortar, desbrozar
Juguetería
Lo más vendido
Servicios
Servicio de búsqueda
Determinar cadena de sierra
DE
EN
FR
ES
IT
Versión móvil de la página
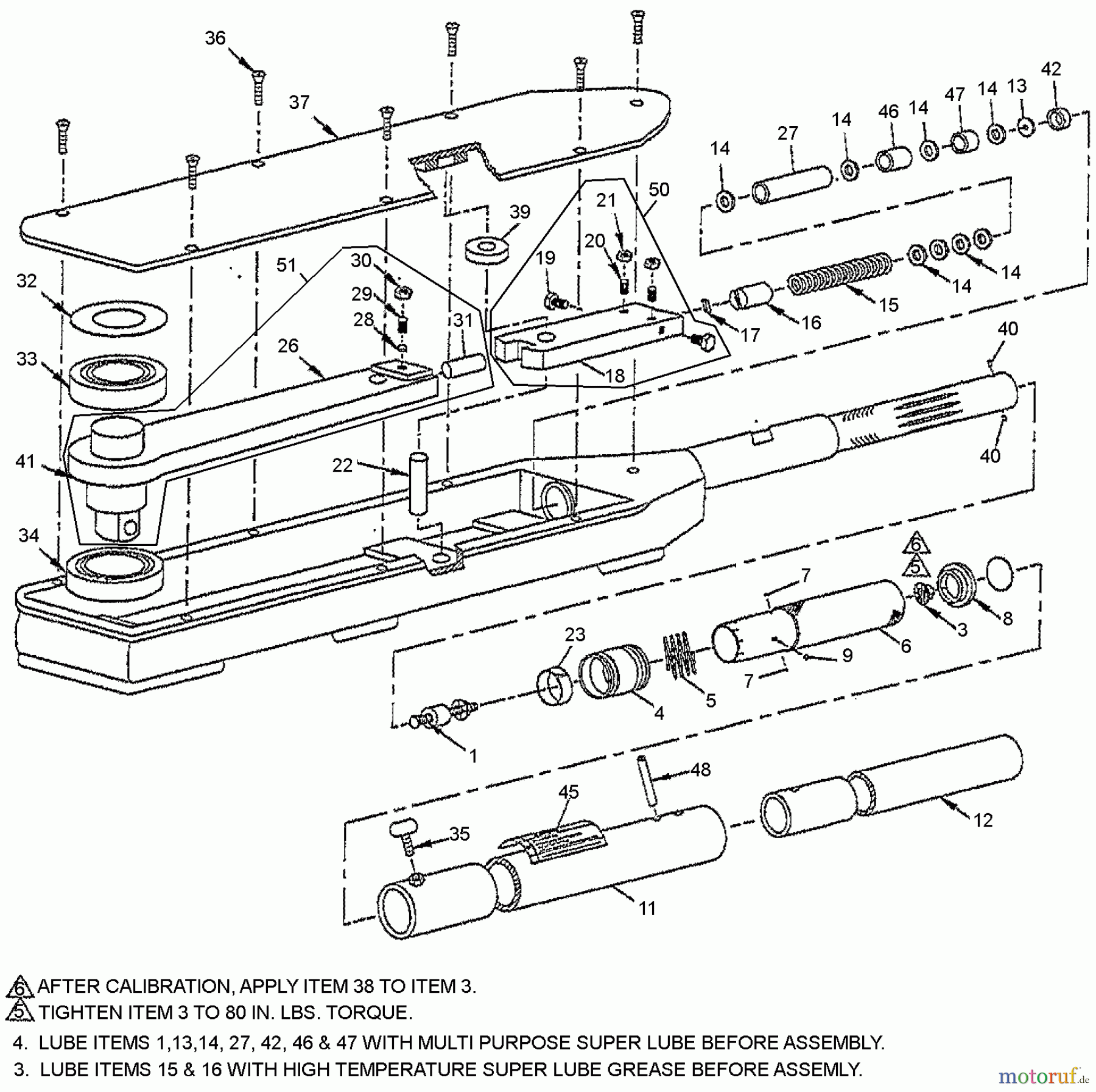
PROTO TORQUE WR 1 DR 400-2000 F J6025 Listas de piezas de repuesto y dibujos
Start
PROTO
Divers
TORQUE WR 1 DR 400-2000 F
J6025
Seite 1
J6025 TORQUE WR 1 DR 400-2000 F
Pos
Número de artículo
Descripción
1
SB-5140177-99
SCREW, INSERT/ NUT
3
SB-5140178-00
FLANGED HEX NUT
4
SB-5140178-01
LOCK RING
5
SB-5140178-02
MUELLE
6
SB-5140178-03
HANDLE ASSEMBLY
7
SB-5140178-04
BOLA
8
SB-5140178-05
END PLUG
9
SB-5140178-06
BOLA
11
SB-5140178-07
EXTENSION HANDLE
12
SB-5170073-81
EXTENSION HANDLE
13
SB-5140178-09
THRUST WASHER
14
SB-5140178-10
FLAT WASHER
15
SB-5140178-11
TORQUE SPRING
16
SB-5140178-12
LEVA
17
SB-5140186-35
TRINQUETE
18
SB-5140178-14
SECONDARY ARM
19
SB-5140178-15
HEX HEAD SCREW
20
SB-5140178-16
SOCKET SET SCREW
21
SB-5140178-17
HEX NUT
22
SB-5140178-18
TORNILLO
23
SB-5140178-19
NYLON BUSHING
26
SB-5140178-21
ARM ASSEMBLY
27
SB-5140178-22
SEPARADOR
28
SB-5140178-23
ABRAZADERA
29
SB-5140178-24
SOCKET SET SCREW
30
SB-5140178-25
HEX NUT
31
SB-5140178-26
TORNILLO
32
SB-5140178-27
SEPARADOR
33
SB-5140178-28
COJINETE
34
SB-5140178-29
COJINETE
35
SB-5140178-30
WING BOLT
36
SB-5140178-31
SELF TAPPING SCREW
37
SB-5140178-32
TOP PLATE/BLOCK ASSY
39
SB-5140178-34
SEPARADOR
40
SB-5140178-35
PASADOR
41
SB-5140178-36
DIAFRAGMA
42
SB-5140178-37
SEPARADOR
45
SB-5140178-38
ETIQUETA DE AVISO
46
SB-5140178-39
SEPARADOR
47
SB-5140178-40
SEPARADOR
48
SB-5140178-41
SPRING PIN
Gestión de calidad
Ayúdenos a mejorar esta página. Infórmenos de los errores que haya encontrado.