.es
Cesta
vacia
Mi cuenta
Registrarse
Iniciar sesión
Home
Contacto
Nuestra empresa
Álbum de visitantes
Envío
Condiciones y Privacidad
Datos identificativos
Piezas de repuesto
Búsqueda por nº de artículo
Listas de piezas de repuesto y dibujos
Cadenas de sierra
Espadas
Piñones
Antiguedades
Catálogo
Jardín
Industria
Artículos eléctricos
Filtro
Correas trapezoidales / poleas de correa
Artículos de invierno
Trabajos forestales
Piezas de máquinas
Taller
Piezas del motor
Cortar, desbrozar
Juguetería
Lo más vendido
Servicios
Servicio de búsqueda
Determinar cadena de sierra
DE
EN
FR
ES
IT
Versión móvil de la página
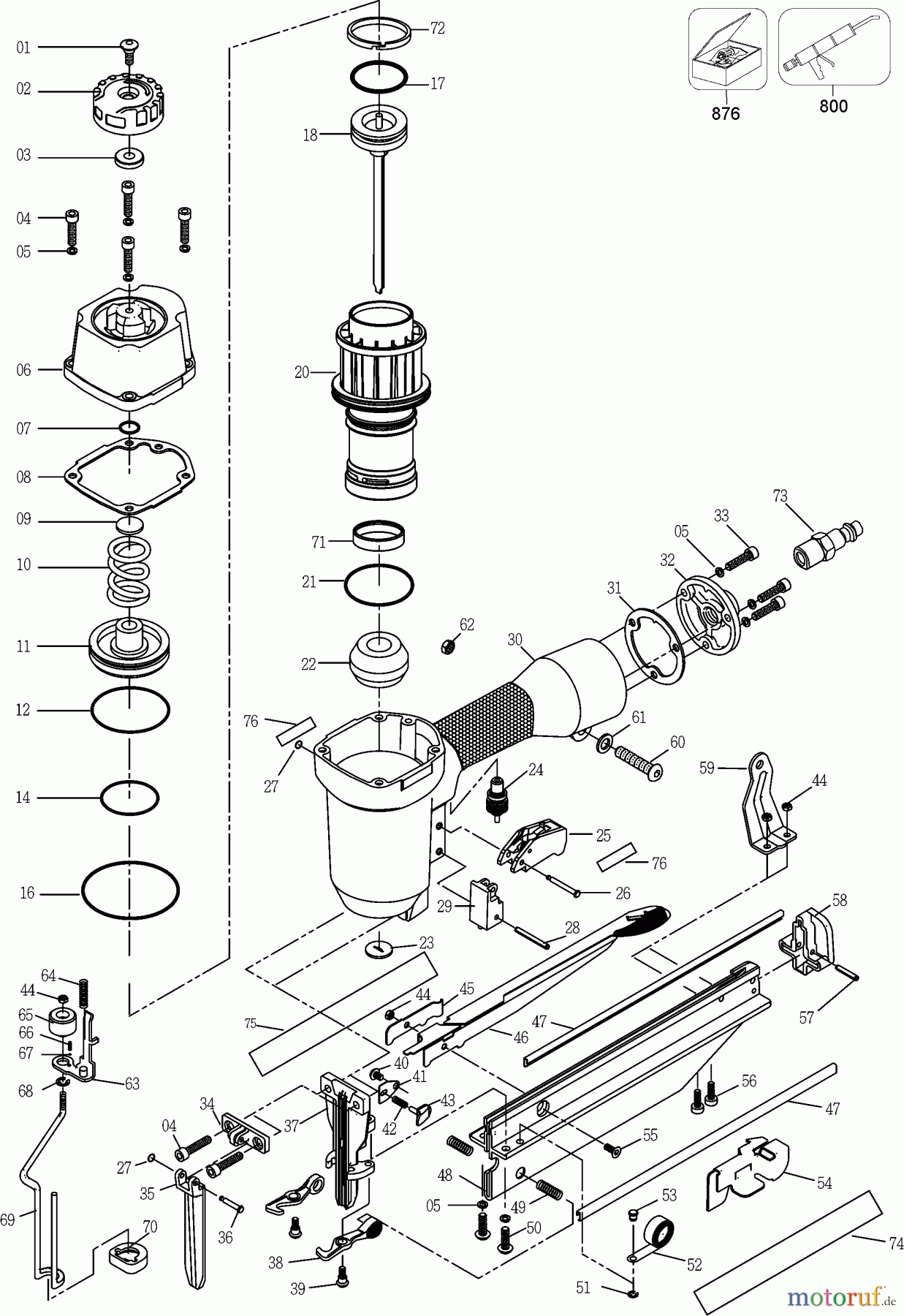
PORTER CABLE 53444 FN250SB Listas de piezas de repuesto y dibujos
Start
PORTER CABLE
Divers
53444
FN250SB
Seite 1
FN250SB 53444
Pos
Número de artículo
Descripción
1
SB-P1375200762
SHOULDER SCREW
2
SB-P1370001500
TAPA/CUBREJUNTA
3
SB-OA1031W1
DIAFRAGMA
4
SB-195071
SHCS, M5X0.8X25,SW
5
SB-1D105
SPRING WASHER
6
SB-P1640003640
TAPA
7
SB-S06P001800
O-RING
8
SB-P1630000200
PACKING
9
SB-PB1021W1
PRECINTO
10
SB-180532
MUELLE
11
SB-189980
HEAD VALVE
12
SB-180535
O-RING-49.1MMX2.5-MM
14
SB-180536
O-RING-37.4MMX3.5MM
16
SB-S06A014100
O-RING
17
SB-180544
ANILLO 0
18
SB-9R204251
CONDUCTOR/IMPULSO
20
SB-195449
CYLINDER SLEEVE
21
SB-180540
ANILLO 0
22
SB-P1630000800
PARACHOQUES
23
SB-PB1121I1
GUIA
24
SB-PB205BA1
VALVULA
25
SB-9R213320
TRIGGER ASSEM
26
SB-P0595201662
STEPPED PIN
27
SB-174073
ANILLO 0
28
SB-174070
PASADOR
29
SB-P1640004000
SAFETY GUIDE
30
SB-9R199841
FRAME, FN250SB
31
SB-P1370000100
PACKING
32
SB-OA3611D1
TAPON
33
SB-1A105201
PERNO
34
SB-P1370000301
DRIVER GUIDE COVER B
35
SB-PB4011H1
GUIA
36
SB-JV4741W1
PASADOR
37
SB-9R209599
GUIA
38
SB-PB4581H1
PLACA
39
SB-P1645203062
SHOULDER SCREW
40
SB-1L104043
TORNILLO
41
SB-P1645201562
COLLARIN
42
SB-P1640001600
MUELLE
43
SB-P1640001762
NAIL PILOT
44
SB-S0710400
CONTRATUERCA
45
SB-P1645101801
MUELLE
46
SB-P1645101901
TAPA/CUBREJUNTA
47
SB-P1640002000
STEEL CHANNEL
48
SB-PB4101R1
ALMACEN
49
SB-PB4591S1
MUELLE
50
SB-S2810512100
BUTTOM HD.SOC.SCREW
51
SB-1I1030
E-RING
52
SB-180563
MUELLE
53
SB-P1645202462
PASADOR
54
SB-PB4091I1
EMPUJADOR
55
SB-174041
TORNILLO
56
SB-MSC4070-10
TORNILLO
57
SB-S0803016000
SPRING PIN
58
SB-P1640003800
TAPA/CUBREJUNTA
59
SB-P1645105501
TAIL HANGER
60
SB-S1210620100
BUTTON HD. SOC.SCREW
61
SB-180449
ARANDELA
62
SB-S0710600
CONTRATUERCA
63
SB-G3800862
CONECTOR
64
SB-P1645205262
MUELLE
65
SB-9R199843
TIRADOR
66
SB-P1645201262
MUELLE
67
SB-S19102000
STEEL BALL
68
SB-S09106000
E-RING
69
SB-P1645201062
SAFETY A
70
SB-9R199842
SIN PROPINA
71
SB-195450
CYLINDER BUSHING
72
SB-180543
ARO DE PISTON
73
SB-S112218410
TOMA DE AIRE GIRATORIA
74
SB-9R198002
MODEL LABEL, FN250SB
75
SB-9R198003
ETIQUETA DE AVISO
76
SB-9R197976
LABEL, PC LOGO
800
SB-9R206705
LUBE (2CC)
876
SB-BOSCAP-RK
BOST CAP REPAIR KIT
Gestión de calidad
Ayúdenos a mejorar esta página. Infórmenos de los errores que haya encontrado.