.es
Cesta
vacia
Mi cuenta
Registrarse
Iniciar sesión
Home
Contacto
Nuestra empresa
Álbum de visitantes
Envío
Condiciones y Privacidad
Datos identificativos
Piezas de repuesto
Búsqueda por nº de artículo
Listas de piezas de repuesto y dibujos
Cadenas de sierra
Espadas
Piñones
Antiguedades
Catálogo
Jardín
Industria
Artículos eléctricos
Filtro
Correas trapezoidales / poleas de correa
Artículos de invierno
Trabajos forestales
Piezas de máquinas
Taller
Piezas del motor
Cortar, desbrozar
Juguetería
Lo más vendido
Servicios
Servicio de búsqueda
Determinar cadena de sierra
DE
EN
FR
ES
IT
Versión móvil de la página
DEVILBISS 3/8IN DRILL ET1205 Listas de piezas de repuesto y dibujos
Start
DEVILBISS
Divers
3/8IN DRILL
ET1205
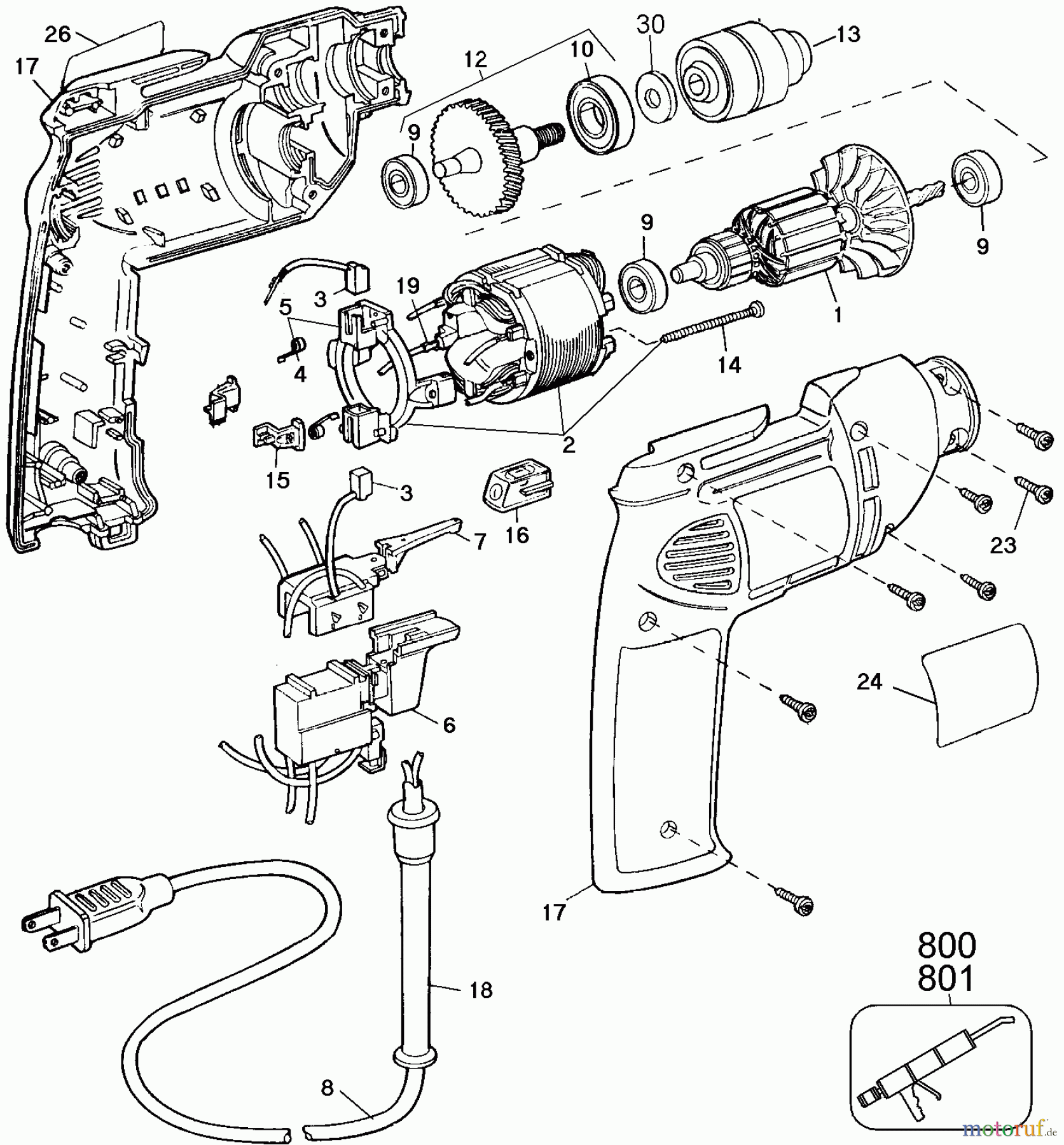
Seite 1
ET1205 3/8IN DRILL
Pos
Número de artículo
Descripción
1
SB-464294-00
ARM.FAN & BRG
2
SB-143843-00
FIELD ASSY.
3
SB-790402-00
BRUSH SET = 1
4
SB-445860-00
MUELLE DE ESCOBILLA
5
SB-449899-05
ANILLO
6
SB-286242-00
SWITCH,VS,AC
7
SB-150196-00
SWITCH,REV.
8
SB-330072-98
CORDON DE SUJECION
9
SB-605040-06
BEARING,BALL
10
SB-330003-11
COJINETE
12
SB-143835-02
HUSILLO & ENGRANAJE
13
SB-330075-85
PLATO SIN LLAVE
14
SB-330019-09
TORNILLO
15
SB-146636-00
NUT, FIELD
16
SB-143845-00L
NIVEL/INTENSIDAD
17
SB-464297-03
MONTANTE & CUBIERTA
18
SB-N918736
CORDON PROTECTOR
19
SB-448387-00
TERMINAL
23
SB-330019-13
TORNILLO
24
SB-388344-00
NP:ET1205 T1
26
SB-388263-00
LABEL,IDENT
800
SB-761995-01
GRASA
801
SB-283484-01
GRASA
Gestión de calidad
Ayúdenos a mejorar esta página. Infórmenos de los errores que haya encontrado.