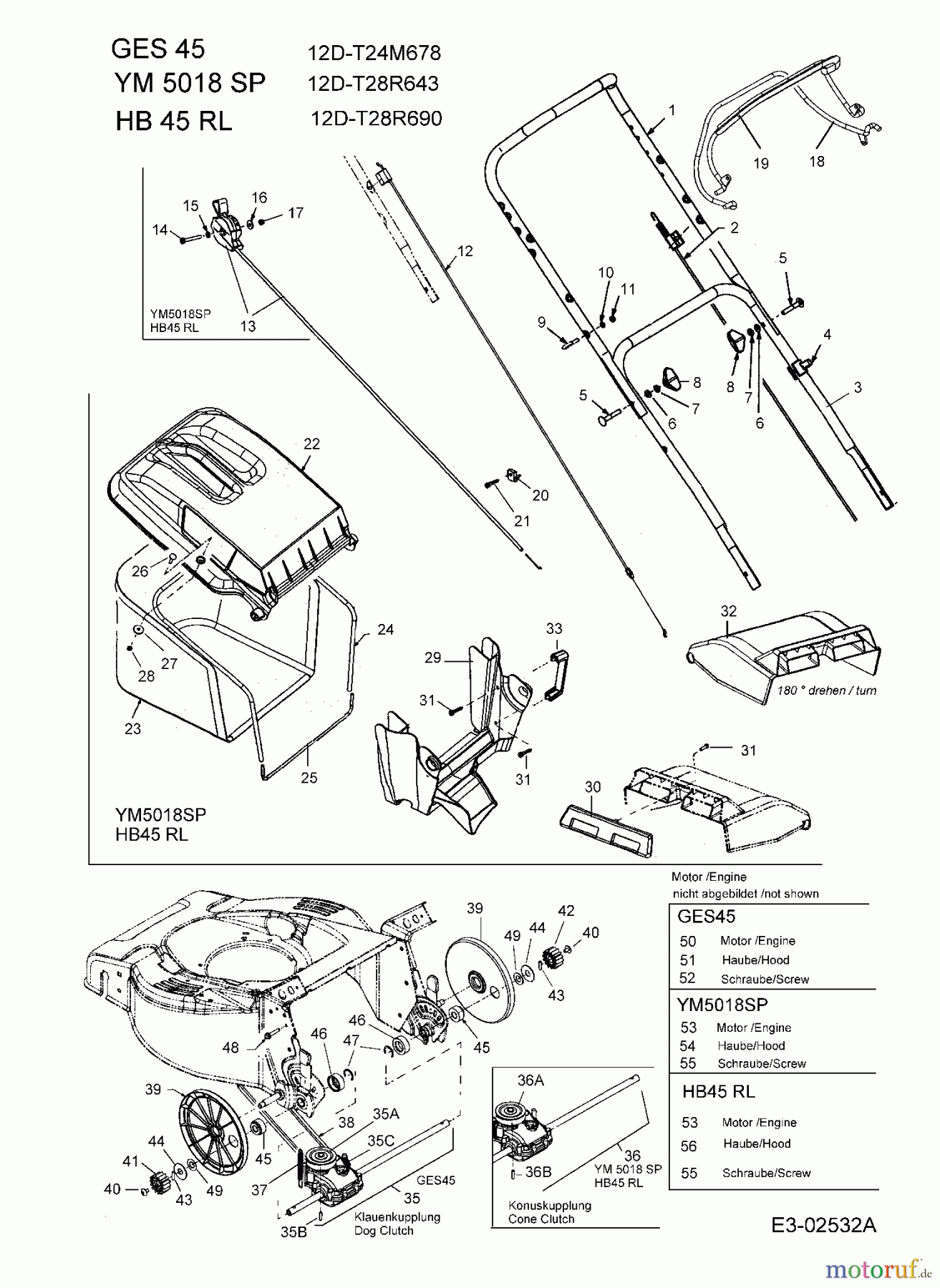
Gutbrod HB 45 RL 12D-T28R690 (2005) Gearbox, Grass bag, Handle, Engine Listas de piezas de repuesto y dibujos
Gearbox, Grass bag, Handle, Engine 12D-T28R690 (2005)



Gestión de calidad
Ayúdenos a mejorar esta página. Infórmenos de los errores que haya encontrado.














