.es
Cesta
vacia
Mi cuenta
Registrarse
Iniciar sesión
Home
Contacto
Nuestra empresa
Álbum de visitantes
Envío
Condiciones y Privacidad
Datos identificativos
Piezas de repuesto
Búsqueda por nº de artículo
Listas de piezas de repuesto y dibujos
Cadenas de sierra
Espadas
Piñones
Antiguedades
Catálogo
Jardín
Industria
Artículos eléctricos
Filtro
Correas trapezoidales / poleas de correa
Artículos de invierno
Trabajos forestales
Piezas de máquinas
Taller
Piezas del motor
Cortar, desbrozar
Juguetería
Lo más vendido
Servicios
Servicio de búsqueda
Determinar cadena de sierra
DE
EN
FR
ES
IT
Versión móvil de la página
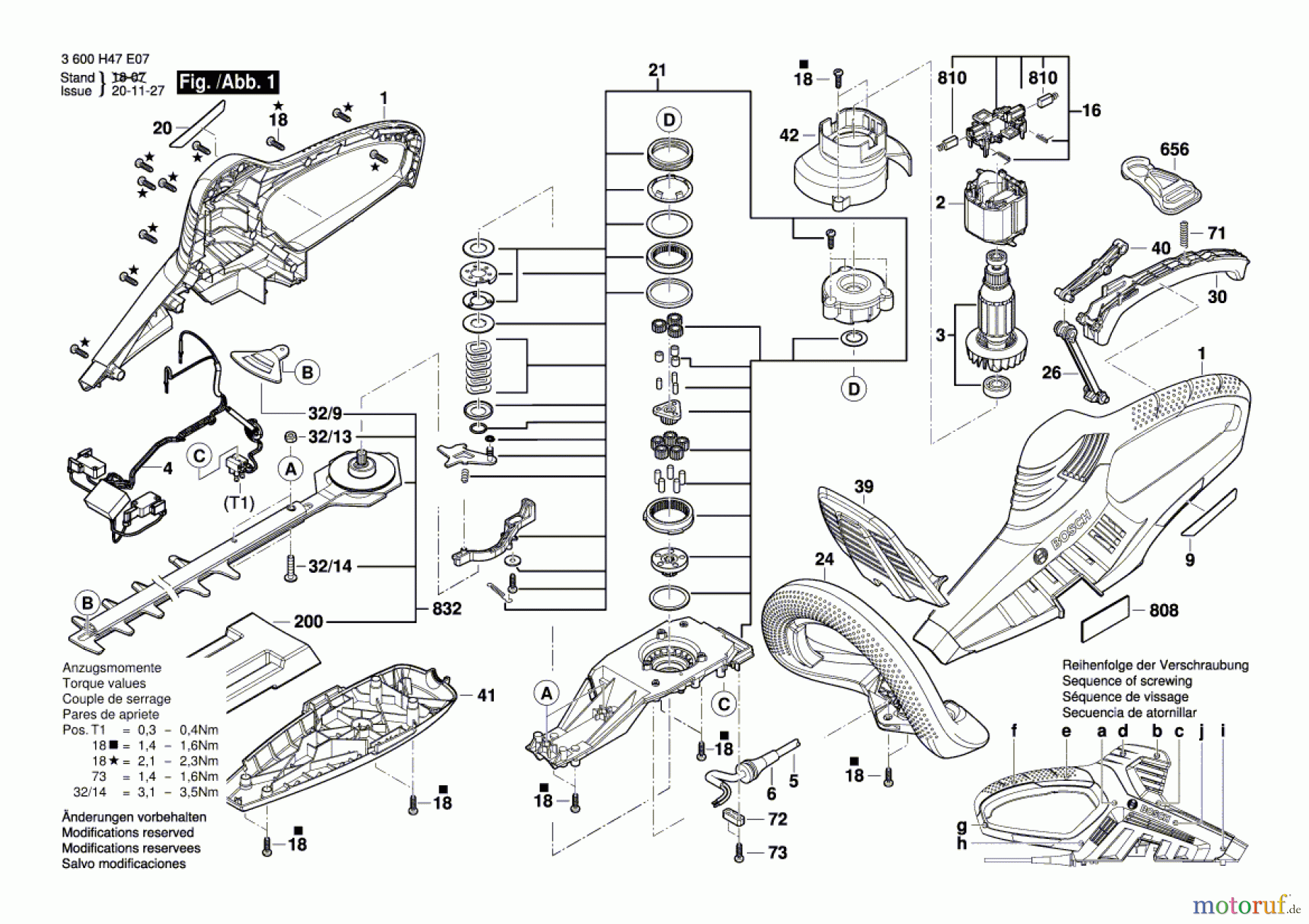
Bosch Heckenschere AHS 60-26 Listas de piezas de repuesto y dibujos
Start
Bosch
Gartengeräte
Heckenschere
AHS 60-26
Seite 1
AHS 60-26 Heckenschere
Número de artículo: 3 600 H47 H08 (3600H47H08)
Pos
Número de artículo
Descripción
1
2 609 007 200
Gehäuseschale
2
2 609 005 073
Polschuh
3
2 609 007 254
Anker
4
1 600 A01 4RW
Elektronik-Modul
5
2 604 460 182
Netzanschlussleitung
6
2 609 002 019
Tülle
9
1 611 11C 03G
Firmenschild
9
2 609 005 909
Firmenschild
16
1 600 A01 2AZ
Bürstenplatte
18
2 603 490 022
Schraube
20
2 609 005 882
Warnzettel
21
1 600 A00 P4P
Getriebekasten
24
2 609 007 139
Handgriff
26
2 609 007 159
Hebel
30
2 609 007 413
Schaltsegment
32/13
1 600 300 10C
Lagerbuchse
32/9
2 609 005 045
Anstossschutz
32/14
2 609 005 695
Sternantrieb-Linsenschraube
39
2 609 005 047
Schutzsegment
40
2 609 007 234
Hebel
41
2 609 004 994
Deckel
42
2 609 004 996
Lüftergehäuse
71
1 604 612 015
Druckfeder
72
2 601 035 001
Leitungshalter
73
2 603 490 022
Schraube
200
2 609 005 514
Messerschutz
656
3 601 398 000
Zugentlastung
808
1 601 11A 6GG
Typschild
810
2 604 321 925
Kohlebürstensatz
832
2 609 005 914
Klinge
Gestión de calidad
Ayúdenos a mejorar esta página. Infórmenos de los errores que haya encontrado.