.es
Cesta
vacia
Mi cuenta
Registrarse
Iniciar sesión
Home
Contacto
Nuestra empresa
Álbum de visitantes
Envío
Condiciones y Privacidad
Datos identificativos
Piezas de repuesto
Búsqueda por nº de artículo
Listas de piezas de repuesto y dibujos
Cadenas de sierra
Espadas
Piñones
Antiguedades
Catálogo
Jardín
Industria
Artículos eléctricos
Filtro
Correas trapezoidales / poleas de correa
Artículos de invierno
Trabajos forestales
Piezas de máquinas
Taller
Piezas del motor
Cortar, desbrozar
Juguetería
Lo más vendido
Servicios
Servicio de búsqueda
Determinar cadena de sierra
DE
EN
FR
ES
IT
Versión móvil de la página
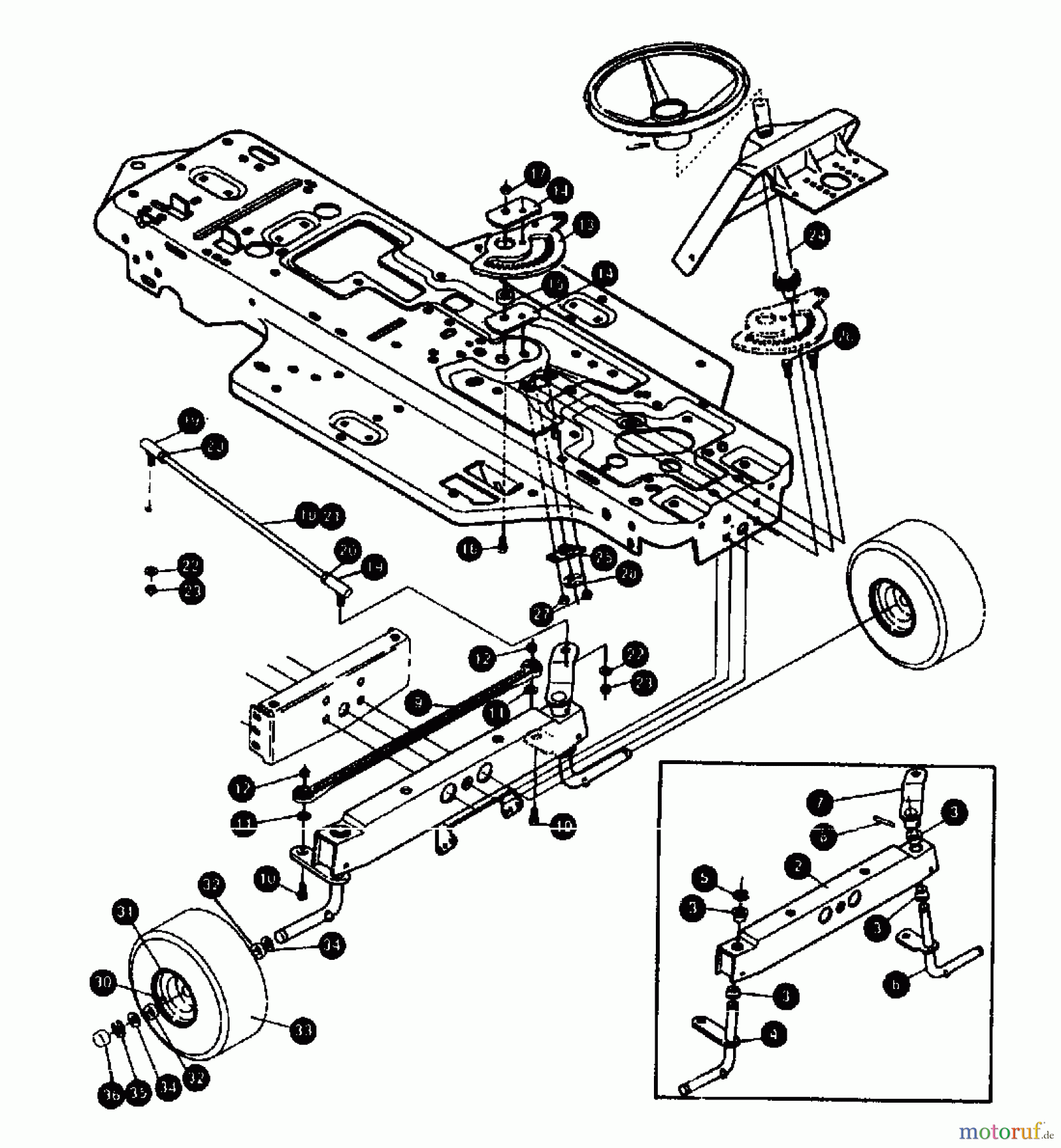
Gutbrod RSB 80-10 04015.09 (1993) Front axle Listas de piezas de repuesto y dibujos
Start
Gutbrod
Lawn tractors
RSB 80-10
04015.09 (1993)
Front axle
Front axle 04015.09 (1993)
Pos
Número de artículo
Descripción
2
092.41.825
ARM:PVT
3
092.41.826
bush
4
092.41.827
AXLE ASSY.RH.750 DIA.
5
092.04.089
RING-SNAP
6
092.41.828
AXLE ASSY.LH.750 DIA.
7
092.41.829
BRKT:STRG:STUB PIVOT
8
092.41.501
PIN SPRING
9
092.41.830
BAR-TIE
10
092.41.499
Screw
11
092.41.131
SPRING WASHER
12
092.15.201
L-nut
13
092.41.831
SEGMENT-STEERING
14
092.41.832
PLATE
15
092.41.833
bush
16
092.41.170
Screw
17
092.15.201
L-nut
18
092.41.834
328808
19
092.41.139
CONTROL-CHOK
20
092.41.138
Nut
21
092.41.835
56190
22
092.41.131
SPRING WASHER
23
092.41.142
Nut
24
092.41.836
STEERING, 2 PC 4WS
25
092.41.837
bearer
26
092.41.838
SCREW,HEX FLANGE
27
092.41.839
NUT
28
092.41.181
Circlip
30
092.41.193
Valve-stem
31
092.41.840
WHEEL RIM
32
092.41.321
bush
33
092.41.913
REIFEN VORN 13X5.00-6
34
092.41.197
Washer
35
092.04.089
RING-SNAP
36
092.41.199
CAP HUB
Gestión de calidad
Ayúdenos a mejorar esta página. Infórmenos de los errores que haya encontrado.