.es
Cesta
vacia
Mi cuenta
Registrarse
Iniciar sesión
Home
Contacto
Nuestra empresa
Álbum de visitantes
Envío
Condiciones y Privacidad
Datos identificativos
Piezas de repuesto
Búsqueda por nº de artículo
Listas de piezas de repuesto y dibujos
Cadenas de sierra
Espadas
Piñones
Antiguedades
Catálogo
Jardín
Industria
Artículos eléctricos
Filtro
Correas trapezoidales / poleas de correa
Artículos de invierno
Trabajos forestales
Piezas de máquinas
Taller
Piezas del motor
Cortar, desbrozar
Juguetería
Lo más vendido
Servicios
Servicio de búsqueda
Determinar cadena de sierra
DE
EN
FR
ES
IT
Versión móvil de la página
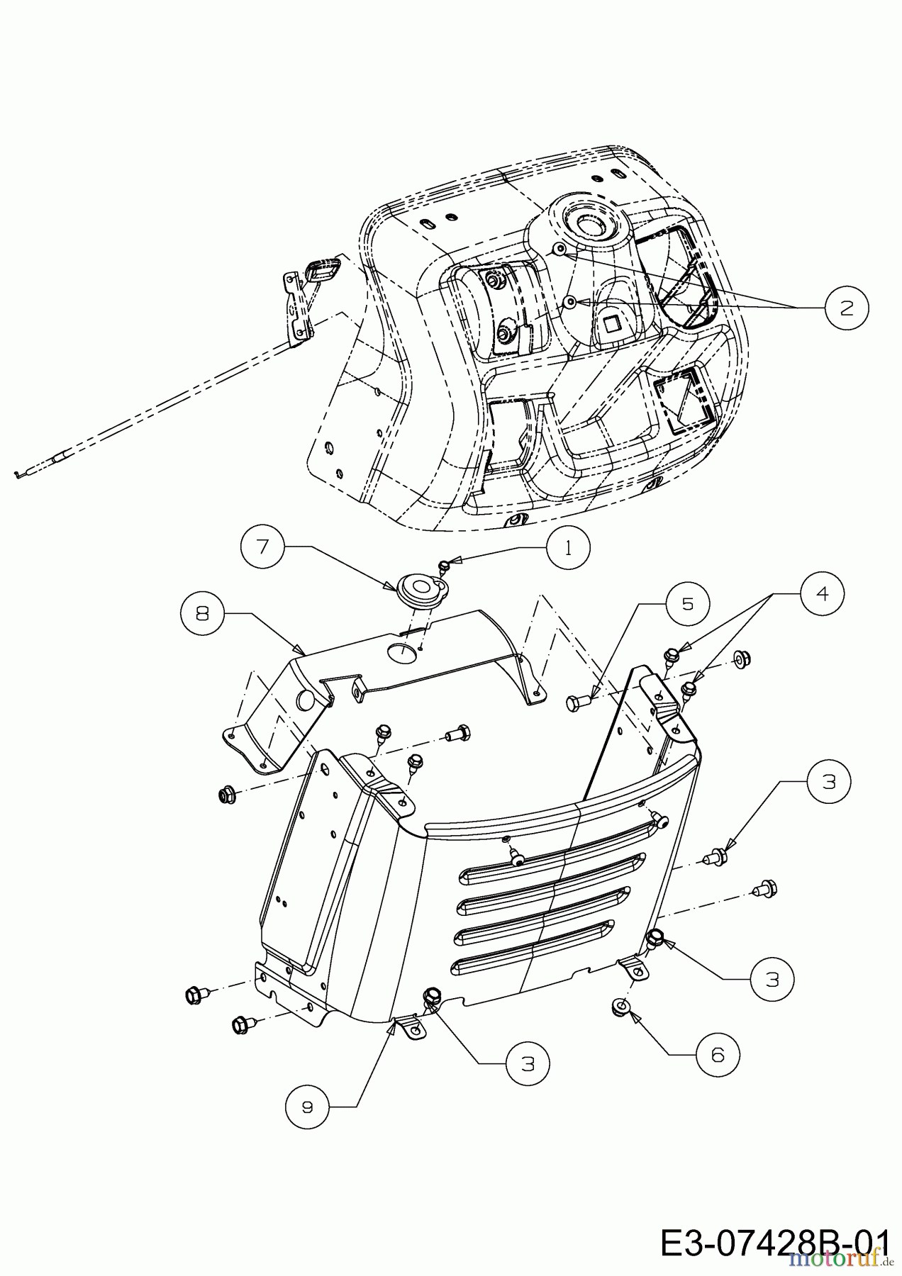
Qualcast LT 125-92 13HH765E639 (2014) Dashboard lower part Listas de piezas de repuesto y dibujos
Start
Qualcast
Lawn tractors
LT 125-92
13HH765E639 (2014)
Dashboard lower part
Dashboard lower part 13HH765E639 (2014)
Pos
Número de artículo
Descripción
1
710-0224
SCR:AB:#10-16:0.500:HXINDWSH
2
710-05070
SCR:TT:1/4-20:.5:PANTRXI:BLK
3
710-0604A
SCREW:TT:5/16-18:0.625HXINDWSH
4
710-1652
SCR:TT:1/4-20 x.625:HXINDWH
5
710-3025
HHCS:5/16-18:.625:GR5:STD
6
712-04063
FLANGED NUT 5/16-18:GRF:NYLON
7
741-0587
BRG:STRG:COLUMN .628 ID x1.360
8
783-06785A
9
783-06811B
Gestión de calidad
Ayúdenos a mejorar esta página. Infórmenos de los errores que haya encontrado.