.es
Home
Contacto
Nuestra empresa
Álbum de visitantes
Envío
Condiciones y Privacidad
Datos identificativos
Piezas de repuesto
Búsqueda por nº de artículo
Listas de piezas de repuesto y dibujos
Cadenas de sierra
Espadas
Piñones
Antiguedades
Catálogo
Jardín
Industria
Artículos eléctricos
Filtro
Correas trapezoidales / poleas de correa
Artículos de invierno
Trabajos forestales
Piezas de máquinas
Taller
Piezas del motor
Cortar, desbrozar
Juguetería
Lo más vendido
Servicios
Servicio de búsqueda
Determinar cadena de sierra
Mi cuenta
Registrarse
Iniciar sesión
Configuración
DE
EN
FR
ES
IT
Escritorio
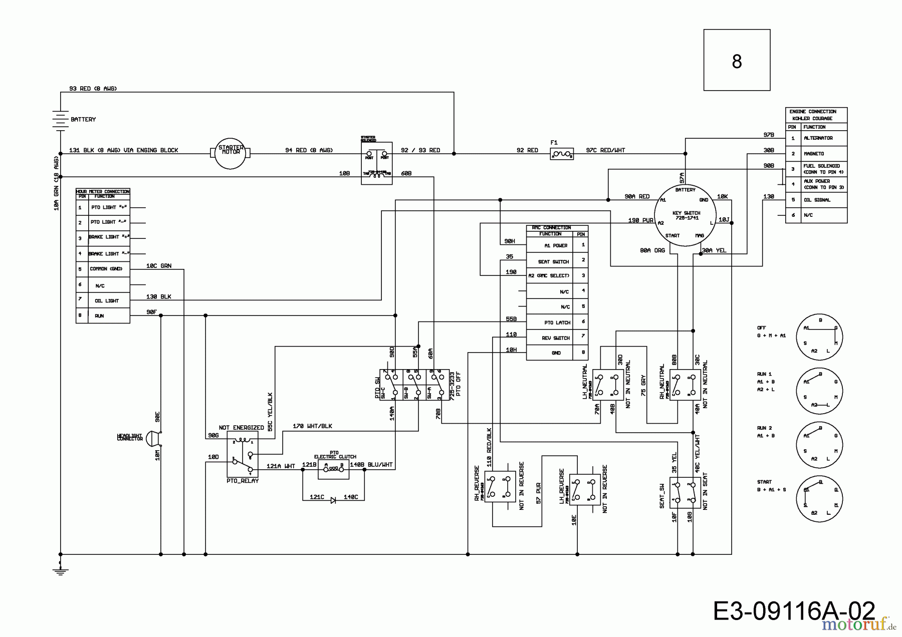
Cub Cadet Z-Force LZ 60 17BIDAGD010 (2015) Wiring diagram Listas de piezas de repuesto y dibujos
Start
Cub Cadet
Zero Turn
Z-Force LZ 60
17BIDAGD010 (2015)
Wiring diagram
Wiring diagram 17BIDAGD010 (2015)
Pos
Número de artículo
Descripción
8
725-06284
HARNESS MAIN
Gestión de calidad
Ayúdenos a mejorar esta página. Infórmenos de los errores que haya encontrado.