.es
Cesta
vacia
Mi cuenta
Registrarse
Iniciar sesión
Home
Contacto
Nuestra empresa
Álbum de visitantes
Envío
Condiciones y Privacidad
Datos identificativos
Piezas de repuesto
Búsqueda por nº de artículo
Listas de piezas de repuesto y dibujos
Cadenas de sierra
Espadas
Piñones
Antiguedades
Catálogo
Jardín
Industria
Artículos eléctricos
Filtro
Correas trapezoidales / poleas de correa
Artículos de invierno
Trabajos forestales
Piezas de máquinas
Taller
Piezas del motor
Cortar, desbrozar
Juguetería
Lo más vendido
Servicios
Servicio de búsqueda
Determinar cadena de sierra
DE
EN
FR
ES
IT
Versión móvil de la página
Cub Cadet CC 114 TD 13B226JD603 (2014) Cover panels Listas de piezas de repuesto y dibujos
Start
Cub Cadet
Lawn tractors
CC 114 TD
13B226JD603 (2014)
Cover panels
Cover panels 13B226JD603 (2014)
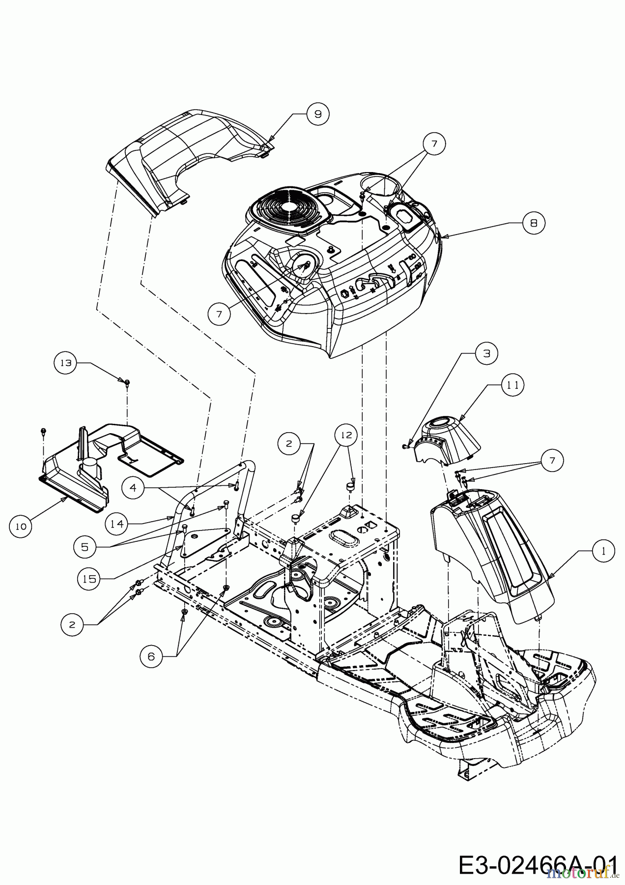
Pos
Número de artículo
Descripción
1
631-05041
CAP STEERING COLUMN
2
710-04484
SCREW:TT:5/16-18:.750:HXINDWSH
3
710-0924
SCR:MACH:1/4-20:0.750 PANPHI
4
710-1241
SCR:HL:1/4-15:1.000:HXINDWSH
5
710-3008
SCREW HHCS:5/16-18:.75:GR5:STD
6
712-04063
FLANGED NUT 5/16-18:GRF:NYLON
7
728-0199
RIVET (2-PARTS): .3125
8
731-08875A
FENDER ASM. CUB CADET
9
731-09129A
COVER REAR
10
731-09185
COVER REAR DRIVE TOP
11
731-09399
COVER COLUMN CUB CADET
12
735-05006
BUMPER
13
738-04184A
SCR:SHLDR:.368x.113:TT:1/4-20
14
749-04932
15
783-07208
Gestión de calidad
Ayúdenos a mejorar esta página. Infórmenos de los errores que haya encontrado.