.es
Cesta
vacia
Mi cuenta
Registrarse
Iniciar sesión
Home
Contacto
Nuestra empresa
Álbum de visitantes
Envío
Condiciones y Privacidad
Datos identificativos
Piezas de repuesto
Búsqueda por nº de artículo
Listas de piezas de repuesto y dibujos
Cadenas de sierra
Espadas
Piñones
Antiguedades
Catálogo
Jardín
Industria
Artículos eléctricos
Filtro
Correas trapezoidales / poleas de correa
Artículos de invierno
Trabajos forestales
Piezas de máquinas
Taller
Piezas del motor
Cortar, desbrozar
Juguetería
Lo más vendido
Servicios
Servicio de búsqueda
Determinar cadena de sierra
DE
EN
FR
ES
IT
Versión móvil de la página
Cub Cadet CC 114 TD 13B226JD603 (2014) Electric parts Listas de piezas de repuesto y dibujos
Start
Cub Cadet
Lawn tractors
CC 114 TD
13B226JD603 (2014)
Electric parts
Electric parts 13B226JD603 (2014)
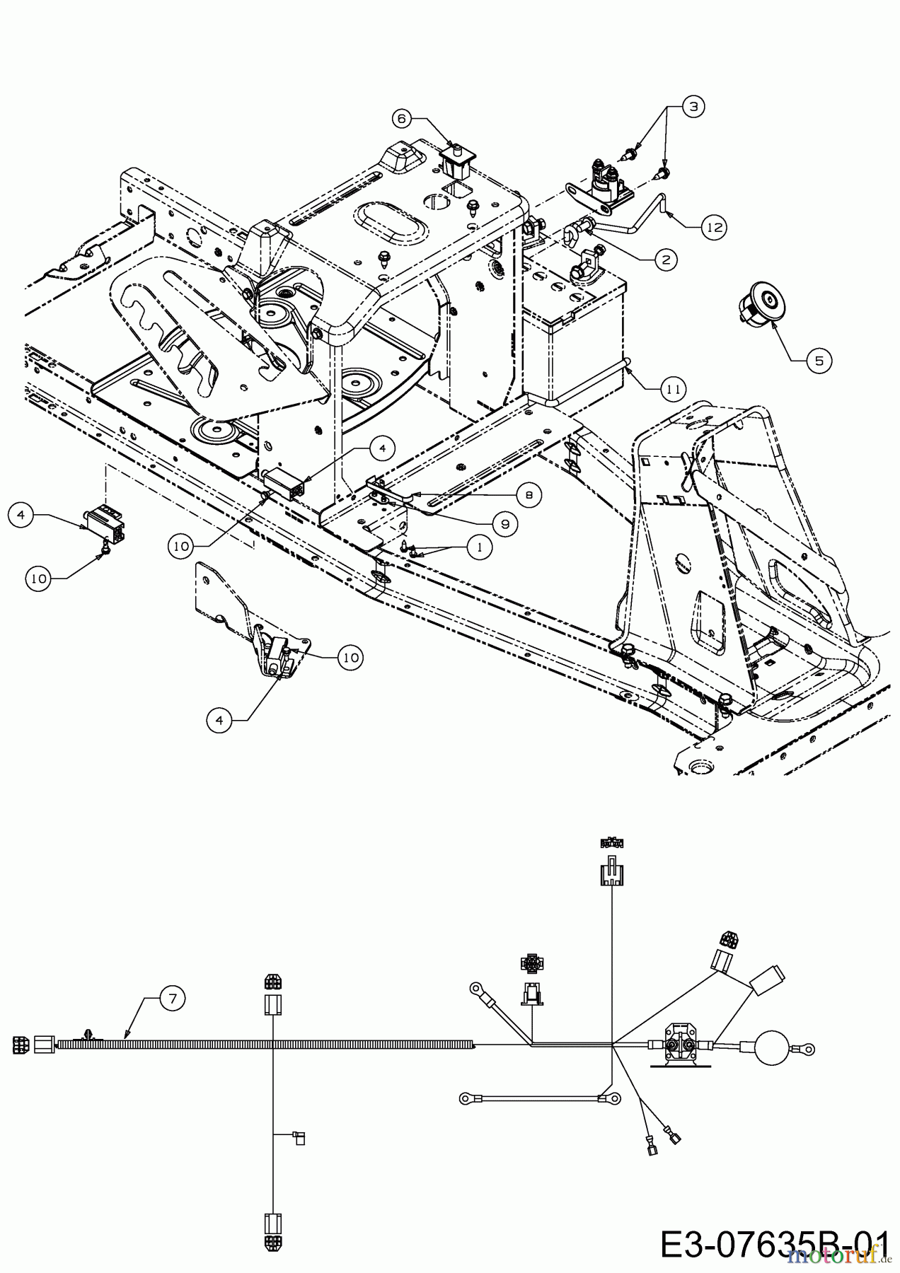
Pos
Número de artículo
Descripción
1
710-0227
SCR:AB:#8-18:0.500:HXINDWH
2
710-04484
SCREW:TT:5/16-18:.750:HXINDWSH
3
710-1652
SCR:TT:1/4-20 x.625:HXINDWH
4
725-04363
SW:INTLK:NO/NC
5
725-04659
SWITCH:KEY:3 POS:WHITE PAD
6
725-05013
SW:SEAT:N/C,N/C:SHORTING
7
725-06041
WIRE HARNESS
8
725-1643
SW:SPR:LONG
9
726-0320
INSULATING PLATE
10
738-04237A
SCR:SHLDR:T:#10-32:.500
11
747-06131A
ROD BATTERY TRAY
12
747-06148
ROD BATTERY HOLD DOWN
Gestión de calidad
Ayúdenos a mejorar esta página. Infórmenos de los errores que haya encontrado.