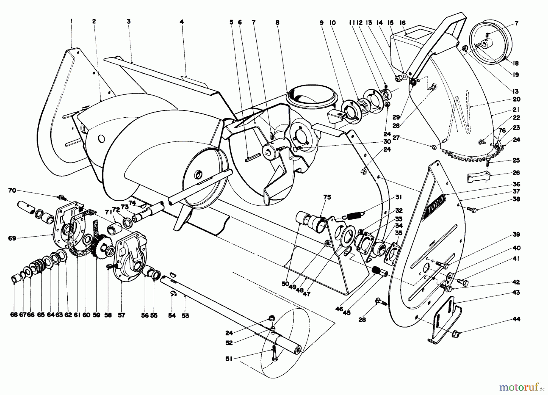
Toro 31995 (1032) - 1032 Snowthrower, 1976 (6000001-6999999) AUGER ASSEMBLY Listas de piezas de repuesto y dibujos
AUGER ASSEMBLY 31995 (1032) - Toro 1032 Snowthrower, 1976 (6000001-6999999)



Gestión de calidad
Ayúdenos a mejorar esta página. Infórmenos de los errores que haya encontrado.



