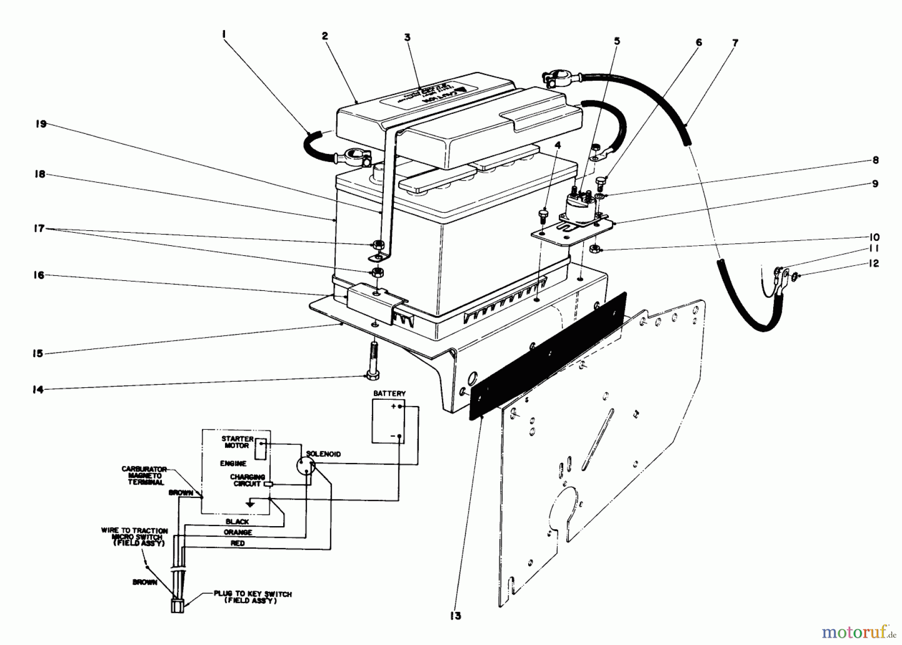
Toro 31995 (1032) - 1032 Snowthrower, 1975 (5000001-5999999) BATTERY AND WIRING DIAGRAM Listas de piezas de repuesto y dibujos
BATTERY AND WIRING DIAGRAM 31995 (1032) - Toro 1032 Snowthrower, 1975 (5000001-5999999)



Gestión de calidad
Ayúdenos a mejorar esta página. Infórmenos de los errores que haya encontrado.


