Toro 74801 (Z18-52) - Z18-52 TimeCutter Z Riding Mower, 2002 (220000001-220999999) COOLING EQUIPMENT ASSEMBLY KAWASAKI FH 531V-AS07 Listas de piezas de repuesto y dibujos
COOLING EQUIPMENT ASSEMBLY KAWASAKI FH 531V-AS07 74801 (Z18-52) - Toro Z18-52 TimeCutter Z Riding Mower, 2002 (220000001-220999999)

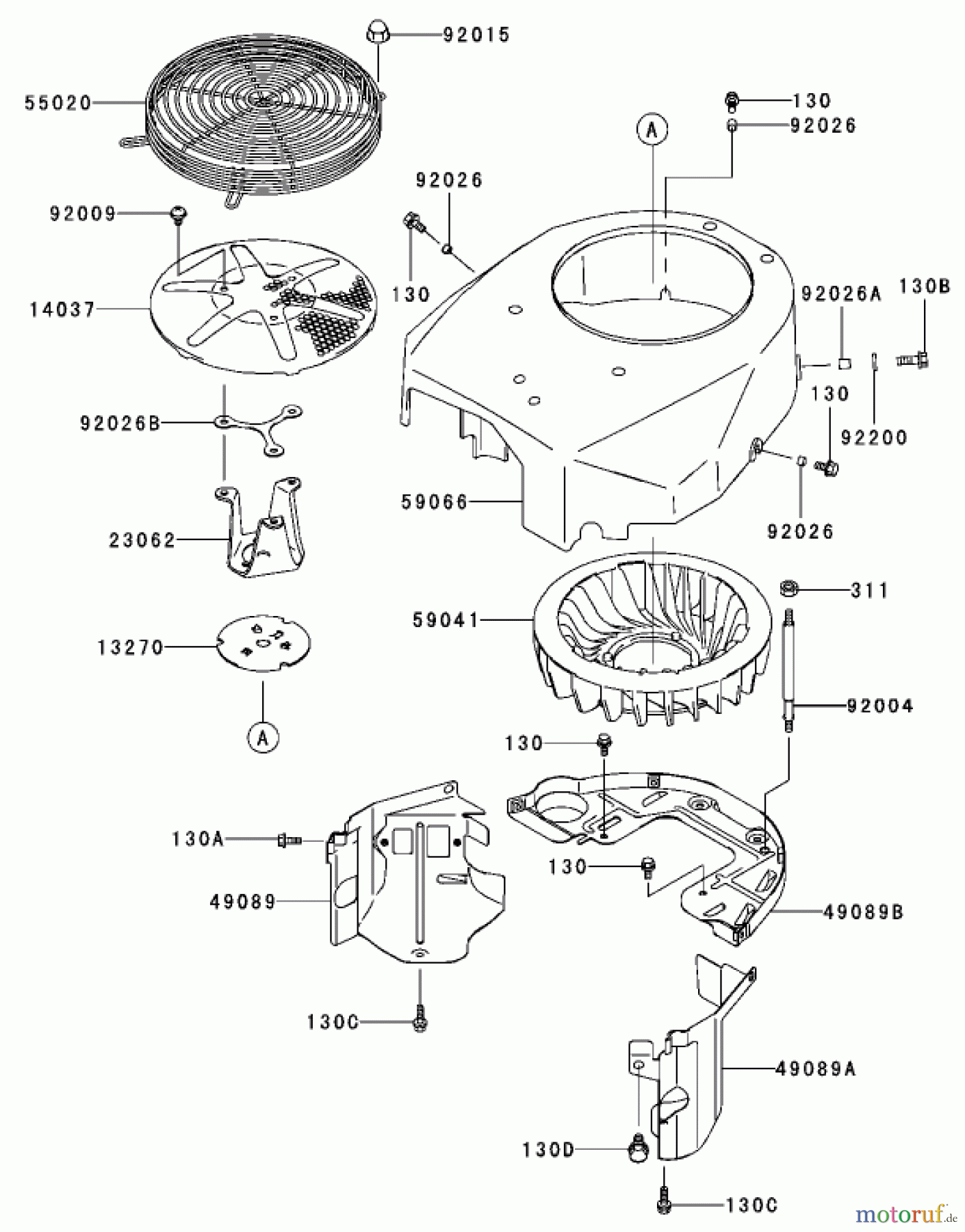
| Pos | Número de artículo | Descripción | |
| 13270 | KA132707007 | PLATE | |
| 14037 | KA1403770109H | SCREEN | |
| 23062 | KA230627010 | BRACKET-COMP | |
| 49089 | KA490897034 | SHROUD-ENGINE | |
| 49089A | KA490897002 | SHROUD-ENGINE | |
| 49089B | KA490897032 | SHROUD-ENGINE | |
| 55020 | KA550207004 | GUARD | |
| 59041 | KA590410007 | FAN | |
| 59066 | KA590667002 | HOUSING-FAN | |
| 92004 | KA920047025 | STUD,6X137.5 | |
| 92009 | KA130BA0612 | BOLT-FLANGED | |
| 92015 | KA922100003 | MUTTER | |
| 92026 | KA921537007 | SCHRAUBE | |
| 92026A | KA920267003 | SPACER,6.5X7.9X10.5 | |
| 92026B | KA920267007 | SPACER | |
| 92200 | KA922002078 | WASHER,6.5X18X2.0 | |
| 130 | KA130AA0612 | BOLT-FLANG | |
| 130A | KA130AA0616 | BOLT-FLANGED,6X16 | |
| 130B | KA130AA0620 | BOLT-FLANGED | |
| 130C | KA130AA0625 | BOLT-FLANGED | |
| 130D | KA130AA0816 | BOLT-FLANGED | |
| 311 | KA311AA0600 | NUT-HEX | |


Gestión de calidad
Ayúdenos a mejorar esta página. Infórmenos de los errores que haya encontrado.

