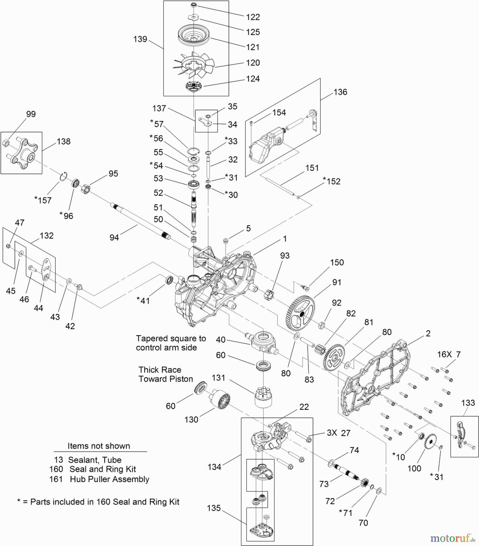
Toro 74622 (4200) - TimeCutter SS 4200 Riding Mower, 2011 (311000001-311999999) RIGHT HAND HYDRO TRANSAXLE ASSEMBLY NO. 119-3331 Listas de piezas de repuesto y dibujos
RIGHT HAND HYDRO TRANSAXLE ASSEMBLY NO. 119-3331 74622 (4200) - Toro TimeCutter SS 4200 Riding Mower, 2011 (311000001-311999999)



Gestión de calidad
Ayúdenos a mejorar esta página. Infórmenos de los errores que haya encontrado.

