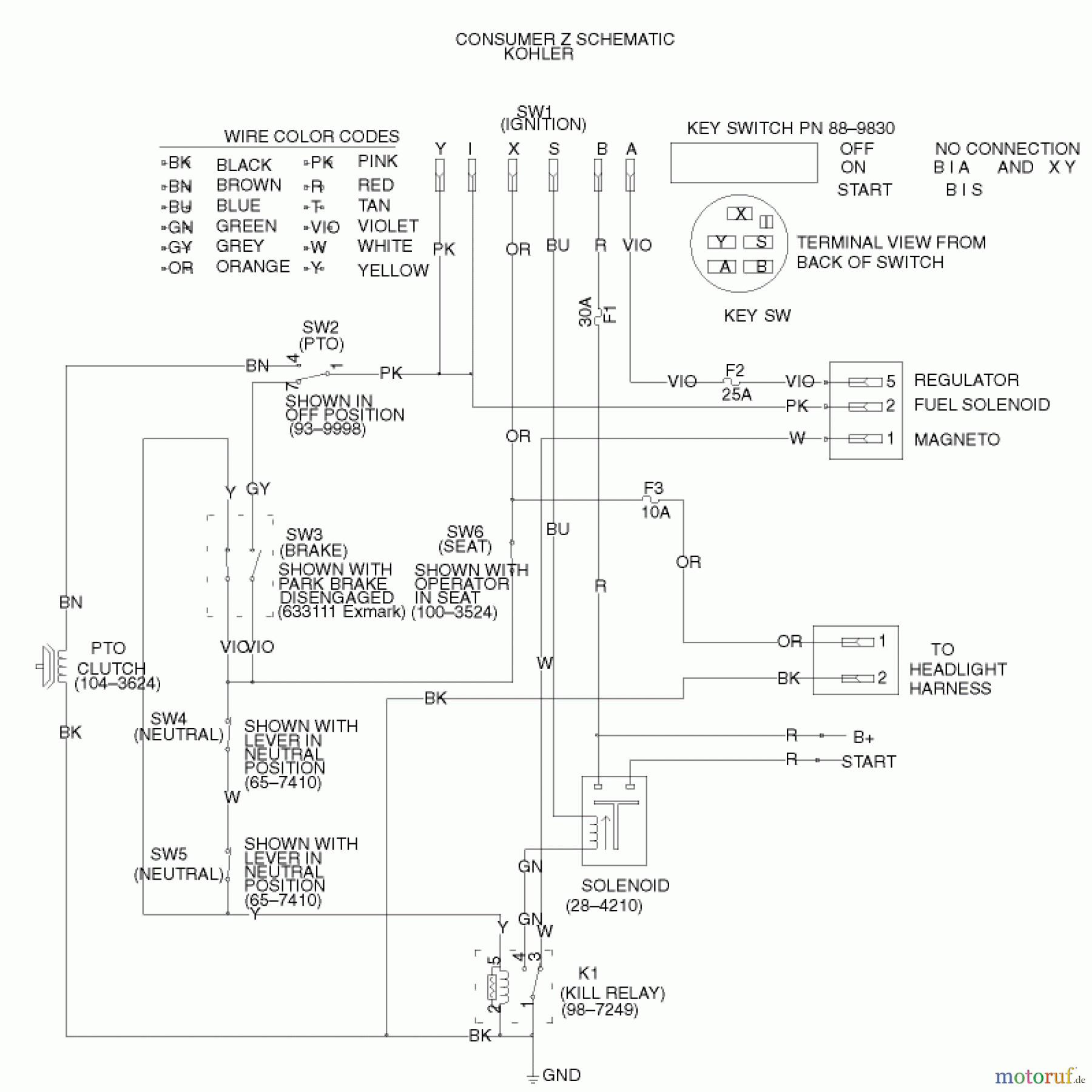
Toro 74601 (Z17-44) - Z17-44 TimeCutter Z Riding Mower, 2001 (210000001-210999999) WIRING SCHEMATIC Listas de piezas de repuesto y dibujos
WIRING SCHEMATIC 74601 (Z17-44) - Toro Z17-44 TimeCutter Z Riding Mower, 2001 (210000001-210999999)

| Pos | Número de artículo | Descripción | |
| TR218-578 | FUSE-BLADE, 10 AMP | ||
| TC109102 | |||
| TRNN10277 | FUSE-30 AMP | ||


Gestión de calidad
Ayúdenos a mejorar esta página. Infórmenos de los errores que haya encontrado.

