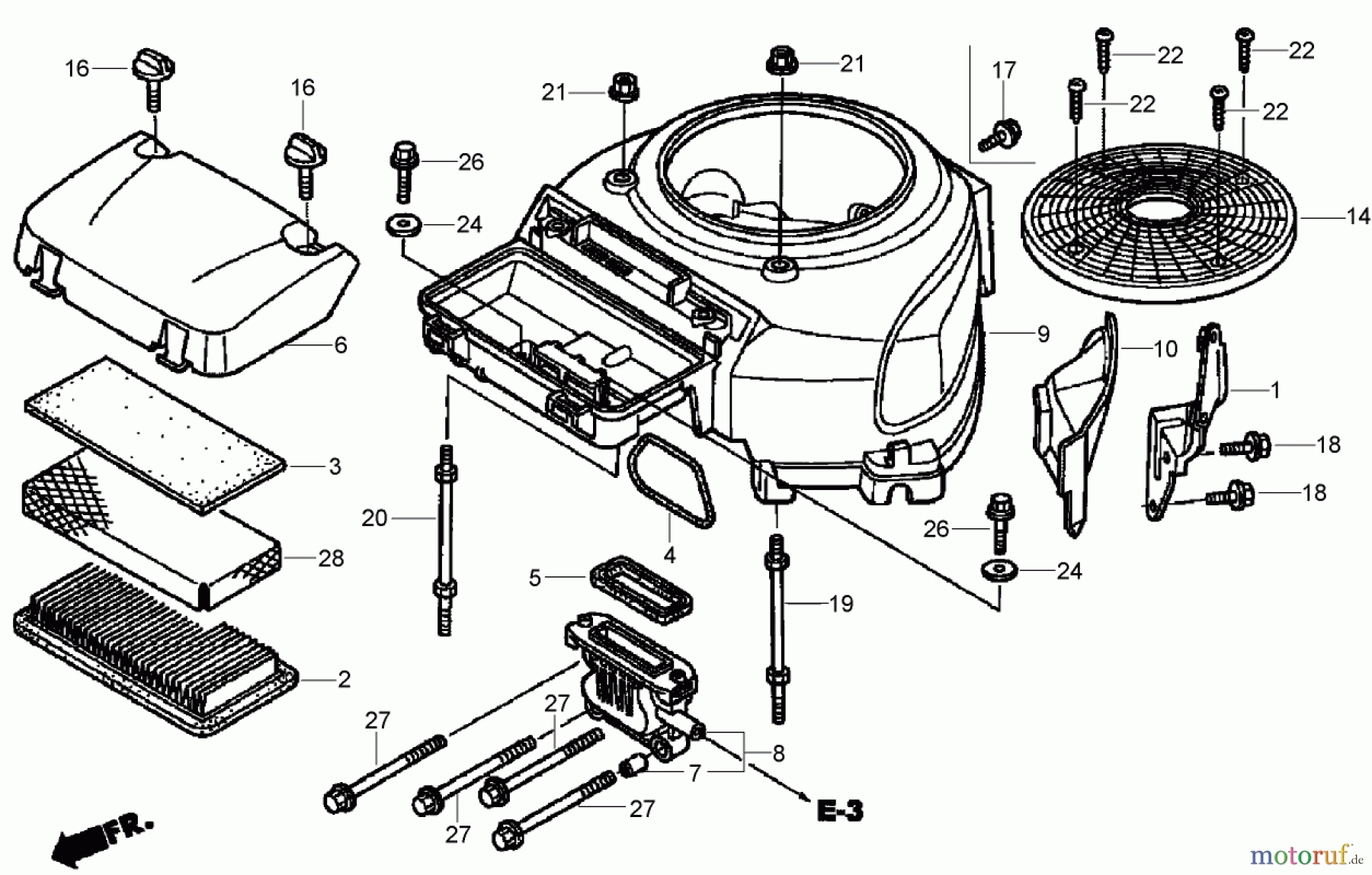
Toro 74434 (ZD530) - TimeCutter ZD530 Riding Mower, 2007 (270000001-270999999) FAN COVER ASSEMBLY HONDA GXV530 EXA2 Listas de piezas de repuesto y dibujos
FAN COVER ASSEMBLY HONDA GXV530 EXA2 74434 (ZD530) - Toro TimeCutter ZD530 Riding Mower, 2007 (270000001-270999999)




