Toro 74399 (Z5020) - TimeCutter Z5020 Riding Mower, 2008 (280000001-280999999) RH HYDRO ASSEMBLY NO. 110-6771 Listas de piezas de repuesto y dibujos
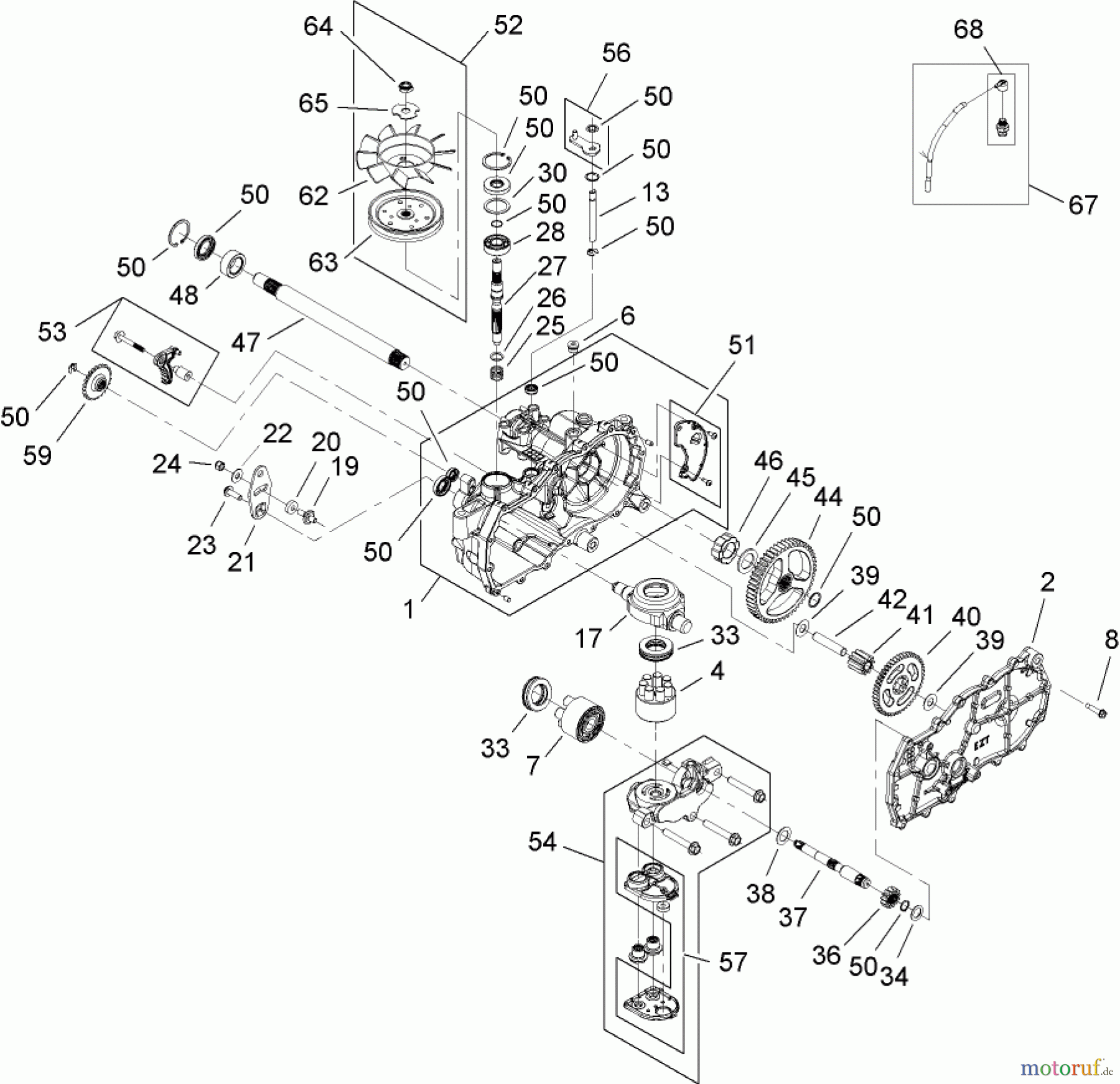
RH HYDRO ASSEMBLY NO. 110-6771 74399 (Z5020) - Toro TimeCutter Z5020 Riding Mower, 2008 (280000001-280999999)



Gestión de calidad
Ayúdenos a mejorar esta página. Infórmenos de los errores que haya encontrado.

