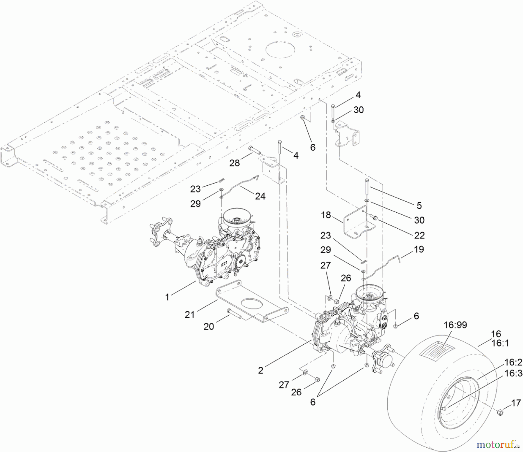
Toro 74390 (ZS 4200TF) - TimeCutter ZS 4200TF Riding Mower, 2012 (SN 312000001-312999999) HYDRO TRANSAXLE ASSEMBLY Listas de piezas de repuesto y dibujos
HYDRO TRANSAXLE ASSEMBLY 74390 (ZS 4200TF) - Toro TimeCutter ZS 4200TF Riding Mower, 2012 (SN 312000001-312999999)



Gestión de calidad
Ayúdenos a mejorar esta página. Infórmenos de los errores que haya encontrado.

