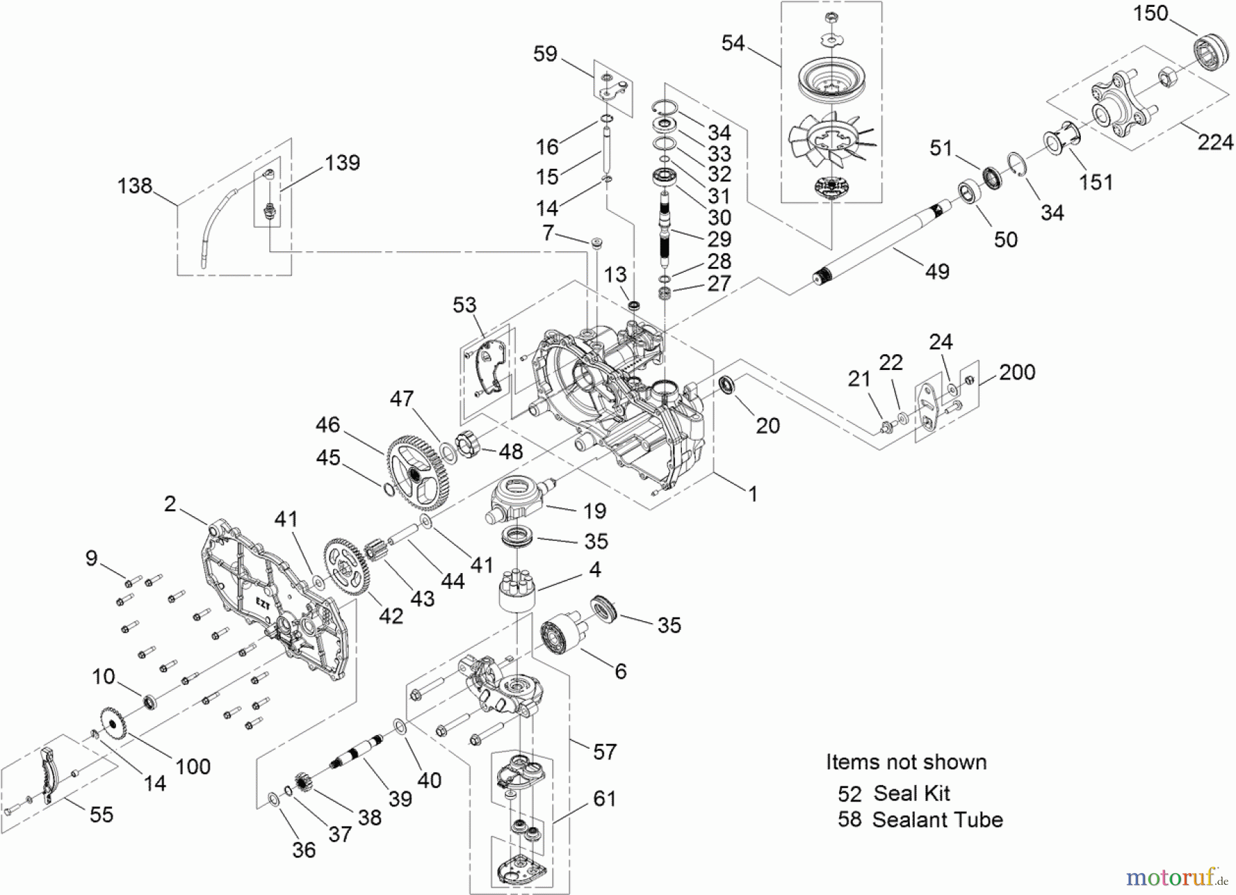
Toro 74387 (ZS 5000) - TimeCutter ZS 5000 Riding Mower, 2012 (SN 312000001-312999999) RH HYDRO TRANSAXLE ASSEMBLY NO. 119-3351 Listas de piezas de repuesto y dibujos
RH HYDRO TRANSAXLE ASSEMBLY NO. 119-3351 74387 (ZS 5000) - Toro TimeCutter ZS 5000 Riding Mower, 2012 (SN 312000001-312999999)



Gestión de calidad
Ayúdenos a mejorar esta página. Infórmenos de los errores que haya encontrado.

