Toro 74385 (ZS 3200) - TimeCutter ZS 3200 Riding Mower, 2012 (SN 312000001-312999999) HYDRO TRANSAXLE ASSEMBLY Listas de piezas de repuesto y dibujos
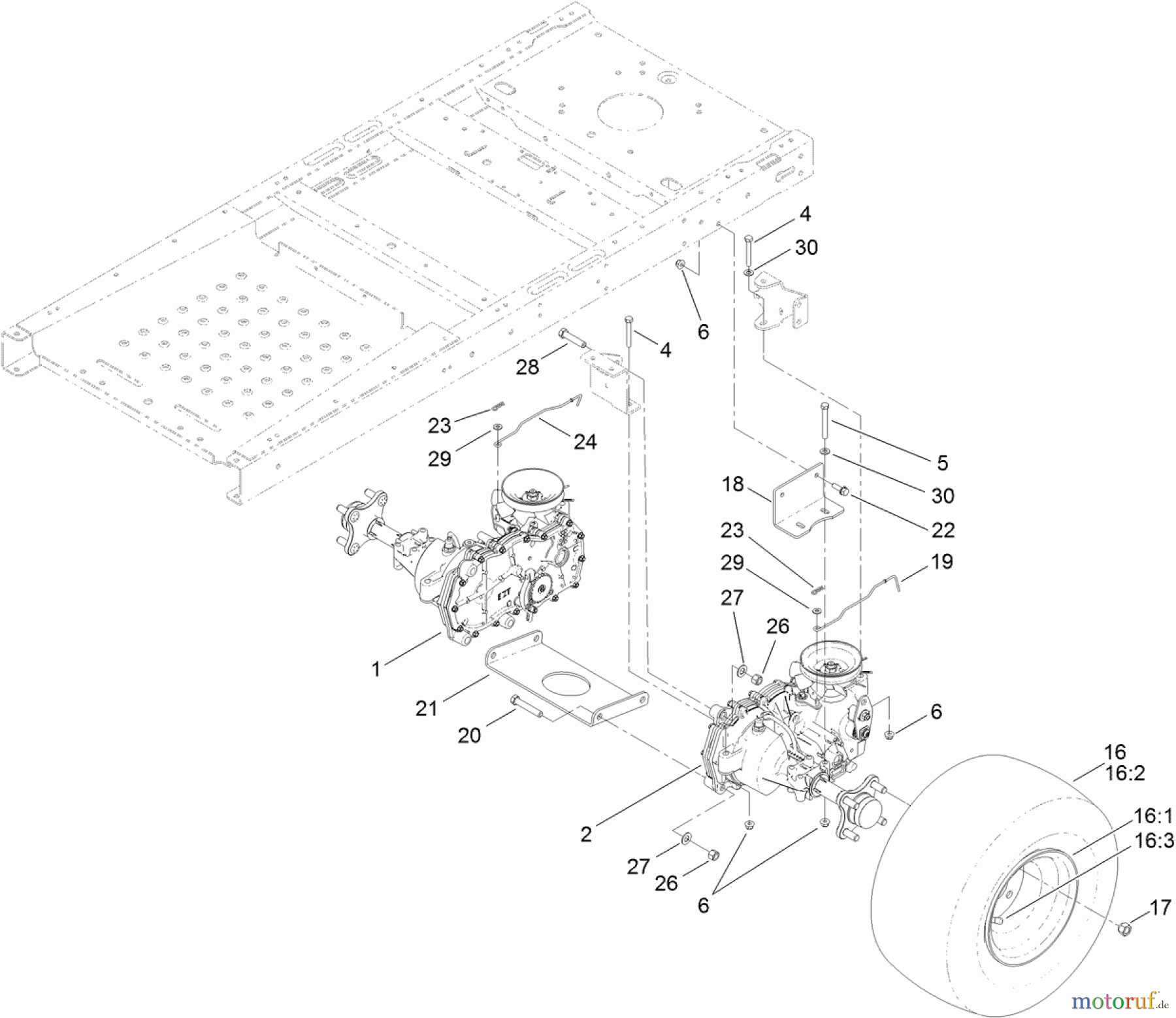
HYDRO TRANSAXLE ASSEMBLY 74385 (ZS 3200) - Toro TimeCutter ZS 3200 Riding Mower, 2012 (SN 312000001-312999999)



Gestión de calidad
Ayúdenos a mejorar esta página. Infórmenos de los errores que haya encontrado.

