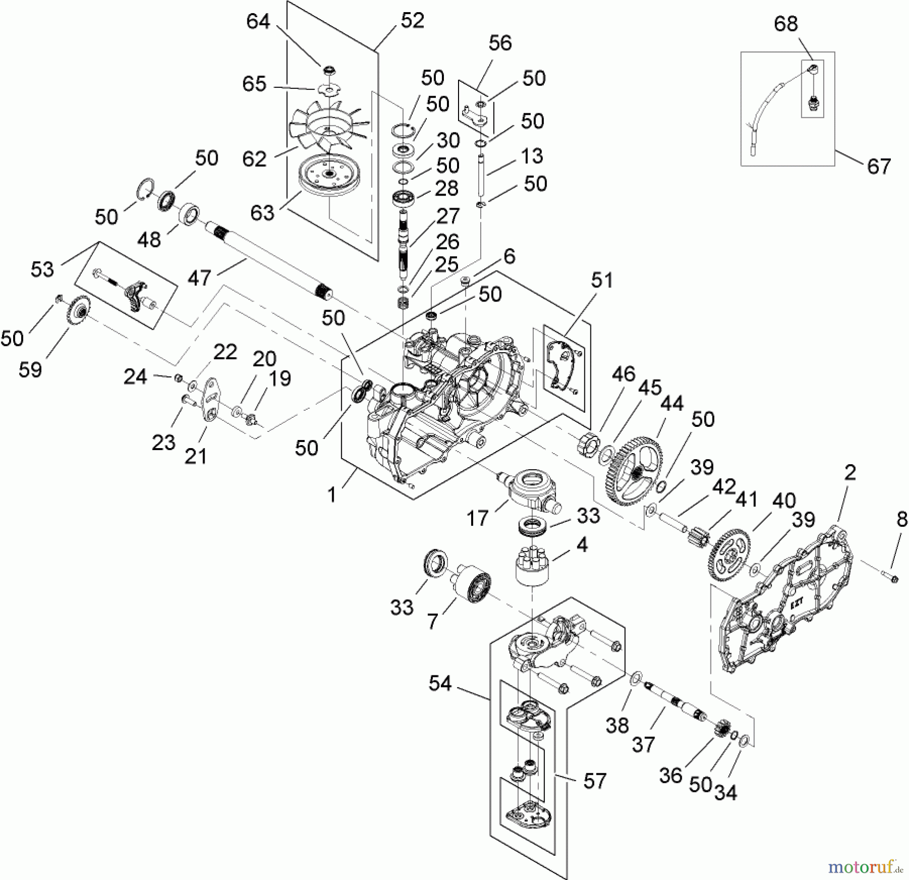
Toro 74374 (Z5040) - TimeCutter Z5040 Riding Mower, 2007 (270000001-270999999) RH HYDRO DRIVE ASSEMBLY NO. 110-6771 Listas de piezas de repuesto y dibujos
RH HYDRO DRIVE ASSEMBLY NO. 110-6771 74374 (Z5040) - Toro TimeCutter Z5040 Riding Mower, 2007 (270000001-270999999)



Gestión de calidad
Ayúdenos a mejorar esta página. Infórmenos de los errores que haya encontrado.

