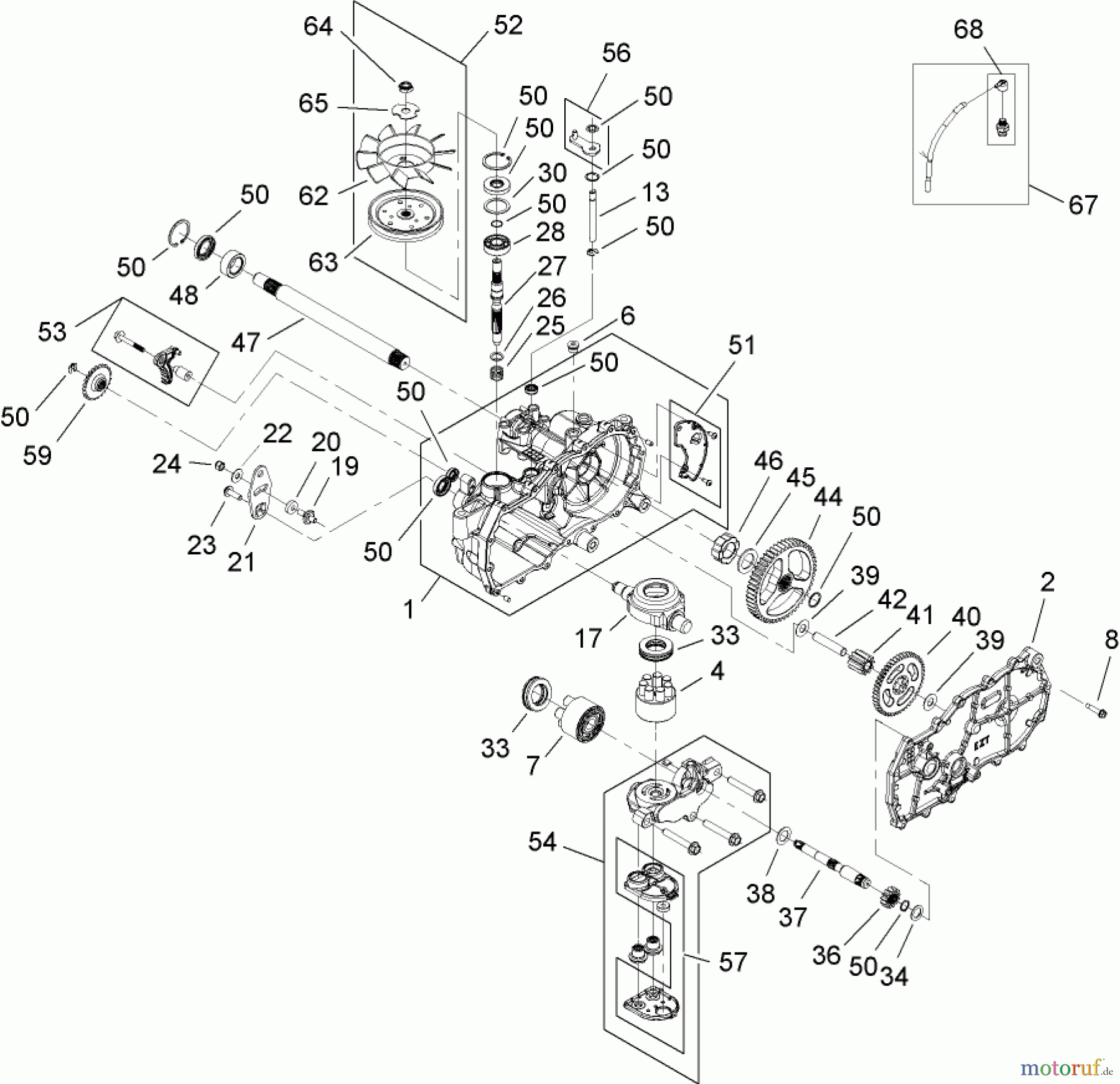
Toro 74360 (Z4200) - TimeCutter Z4200 Riding Mower, 2007 (270000001-270999999) RH HYDRO DRIVE ASSEMBLY NO. 110-6771 Listas de piezas de repuesto y dibujos
RH HYDRO DRIVE ASSEMBLY NO. 110-6771 74360 (Z4200) - Toro TimeCutter Z4200 Riding Mower, 2007 (270000001-270999999)



Gestión de calidad
Ayúdenos a mejorar esta página. Infórmenos de los errores que haya encontrado.

