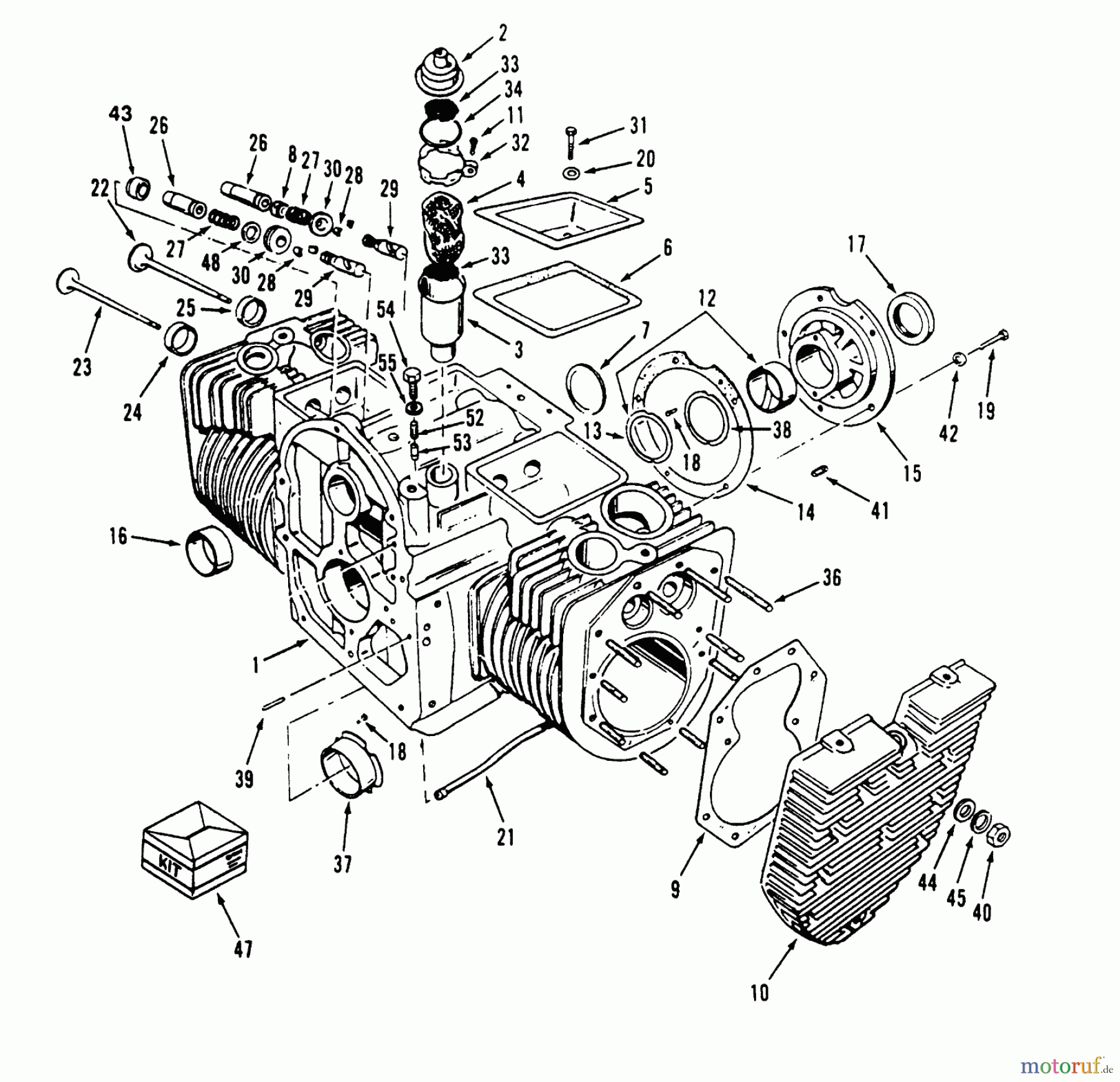
Toro 74140 (724-Z) - 724-Z Tractor, 1995 (590001-599999) ENGINE CYLINDER BLOCK P224 G SPEC. E Listas de piezas de repuesto y dibujos
ENGINE CYLINDER BLOCK P224 G SPEC. E 74140 (724-Z) - Toro 724-Z Tractor, 1995 (590001-599999)



Gestión de calidad
Ayúdenos a mejorar esta página. Infórmenos de los errores que haya encontrado.

