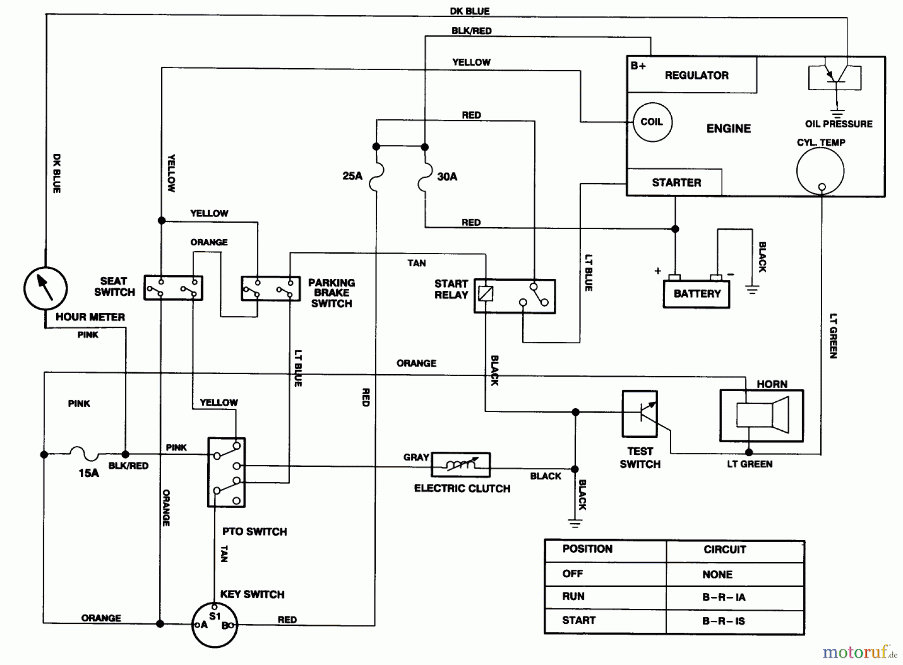
Toro 74140 (724-Z) - 724-Z Tractor, 1994 (49000001-49999999) ELECTRICAL SCHEMATIC Listas de piezas de repuesto y dibujos
ELECTRICAL SCHEMATIC 74140 (724-Z) - Toro 724-Z Tractor, 1994 (49000001-49999999)

| Pos | Número de artículo | Descripción | |
| TR92-9810 | DISCONTINUED | ||


Gestión de calidad
Ayúdenos a mejorar esta página. Infórmenos de los errores que haya encontrado.

