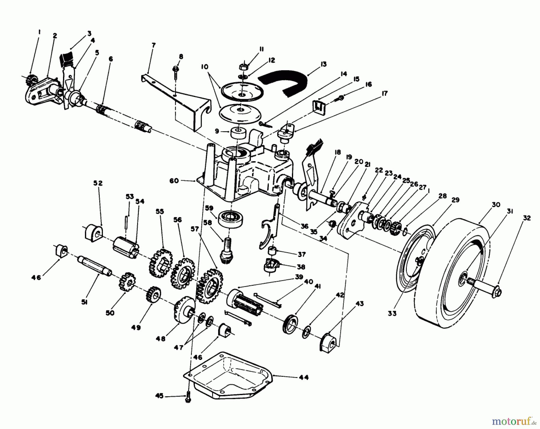
Toro 20747C - Lawnmower, 1988 (8000001-8999999) GEAR CASE ASSEMBLY Listas de piezas de repuesto y dibujos
GEAR CASE ASSEMBLY 20747C - Toro Lawnmower, 1988 (8000001-8999999)



Gestión de calidad
Ayúdenos a mejorar esta página. Infórmenos de los errores que haya encontrado.












