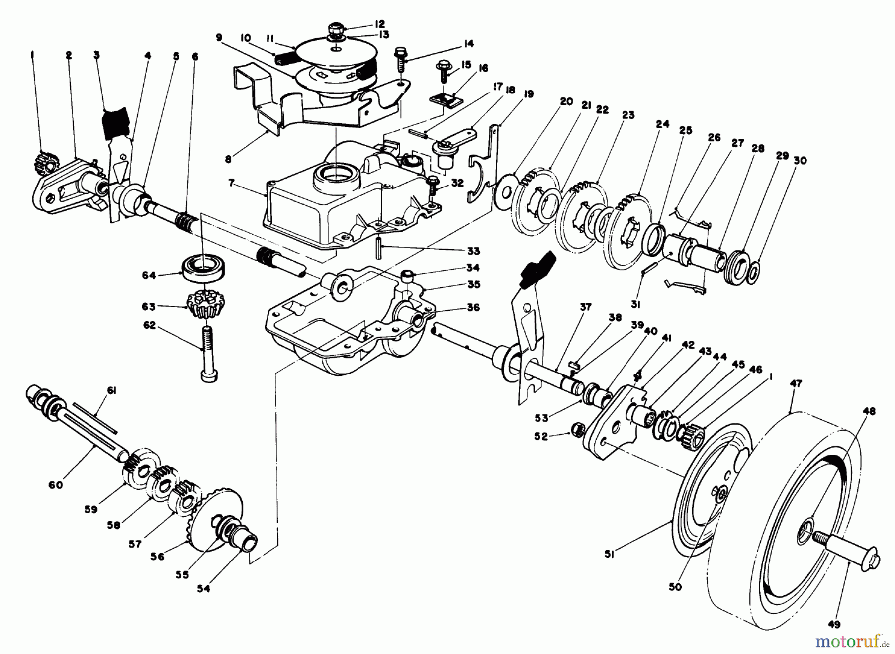
Toro 20684 - Lawnmower, 1985 (5000001-5999999) GEAR CASE ASSEMBLY Listas de piezas de repuesto y dibujos
GEAR CASE ASSEMBLY 20684 - Toro Lawnmower, 1985 (5000001-5999999)



Gestión de calidad
Ayúdenos a mejorar esta página. Infórmenos de los errores que haya encontrado.











