Toro 62850 - Shredder, 1972 (2000001-2999999) CARBURETOR AIR CLEANER & GAS TANK ASSEMBLY Listas de piezas de repuesto y dibujos
CARBURETOR AIR CLEANER & GAS TANK ASSEMBLY 62850 - Toro Shredder, 1972 (2000001-2999999)

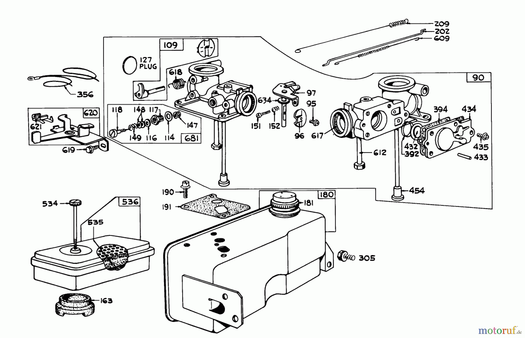
| Pos | Número de artículo | Descripción | |
| 90 | BS299448 | VERGASER | |
| 95 | BS93385 | ||
| 96 | BS211237 | DROSSELKLAPPE | |
| 97 | BS299692 | DROSSELKLAPPE | |
| 109 | BS390076 | DROSSELKLAPPE | |
| 114 | BS691608 | SCHEIBE | |
| 116 | BS691606 | O-RING | |
| 117 | BS690504 | MUTTER | |
| 118 | BS690266 | SCHRAUBE 23228 | |
| 127 | ![]() | BS691585 | STOPFEN |
| 147 | BS692134 | VENTILSITZ | |
| 148 | BS690257 | UNTERLEGSCHEIBE | |
| 149 | BS691592 | FEDER | |
| 151 | BS92634 | ||
| 152 | BS691783 | FEDER | |
| 163 | BS27660 | LUFTFILTERDICHTUNG | |
| 180 | BS297257 | BENZINTANK | |
| 181 | BS493982 | VERWEIS ZU | |
| 190 | BS93341 | ||
| 191 | BS270073 | TANKDICHTUNG | |
| 202 | BS260654 | GESTAENGE | |
| 209 | BS261108 | REGLERFEDER | |
| 305 | BS94786 | ||
| 356 | BS391013 | VERWEIS-NR. 396585 | |
| 392 | ![]() | BS692206 | Feder f. Benzinpumpe |
| 394 | BS270026 | MEMBRANE 27910 | |
| 432 | BS690766 | FEDERTELLER | |
| 433 | BS690296 | STIFT | |
| 434 | BS214021 | VERWEIS ZU | |
| 435 | BS691619 | SCHRAUBE 93263 | |
| 454 | BS296178 | SIEB | |
| 534 | BS93374 | SCHRAUBE | |
| 535 | BS270447 | FILTERELEMENT | |
| 536 | BS299447 | LUFTFILTER | |
| 609 | BS260029 | REGLERFEDER | |
| 612 | BS497413 | VERWEIS ZU | |
| 617 | BS270074 | VERWEIS ZU | |
| 618 | ![]() | BS260648 | FEDER |
| 619 | BS93380 | SCHRAUBE | |
| 620 | BS297548 | PLATTE | |
| 621 | BS297472S | AUSSCHALTER | |
| 634 | BS270167 | FILZSCHEIBE | |
| 681 | BS299060 | NADELVENTILSATZ | |


Gestión de calidad
Ayúdenos a mejorar esta página. Infórmenos de los errores que haya encontrado.




