Compact Utility Loaders LOADER TOWER, FUEL PUMP AND DRIVE ASSEMBLY Listas de piezas de repuesto y dibujos
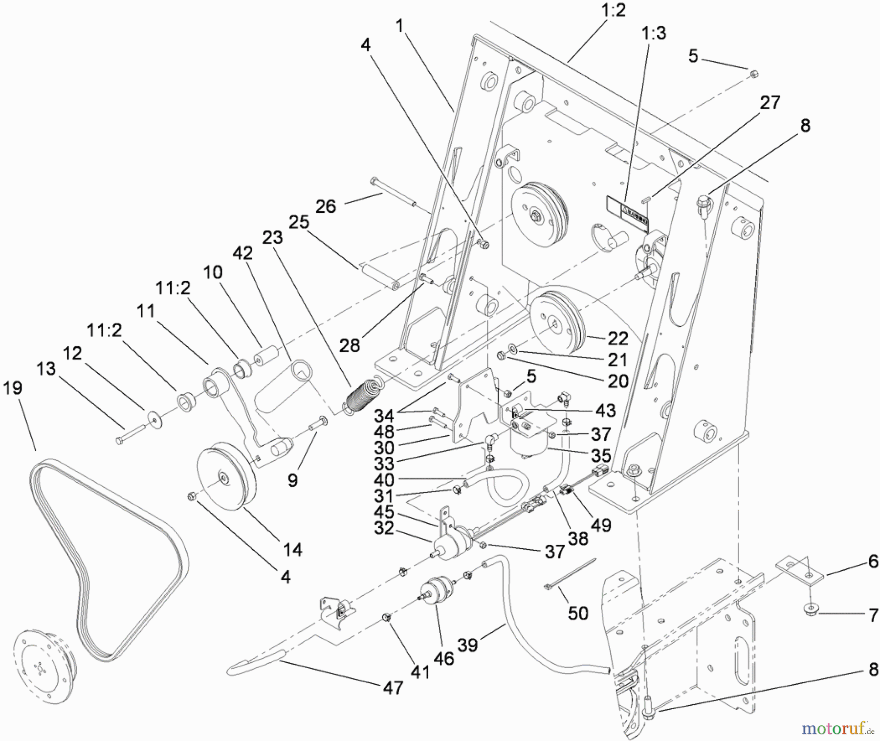
LOADER TOWER, FUEL PUMP AND DRIVE ASSEMBLY 22320 - Toro Dingo TX 525 Wide Track Compact Utility Loader (SN: 280000501 - 280999999) (2008)



Gestión de calidad
Ayúdenos a mejorar esta página. Infórmenos de los errores que haya encontrado.



