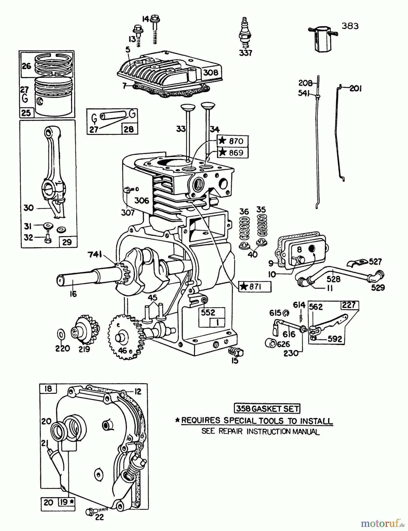
Laubbläser / Laubsauger ENGINE BRIGGS & STRATTON MODEL NO. 130202-1640-01 #1 Listas de piezas de repuesto y dibujos
ENGINE BRIGGS & STRATTON MODEL NO. 130202-1640-01 #1 62912 - Toro 5 hp Lawn Vacuum (SN: 5000001 - 5999999) (1985)



Gestión de calidad
Ayúdenos a mejorar esta página. Infórmenos de los errores que haya encontrado.



