.es
Home
Contacto
Nuestra empresa
Álbum de visitantes
Envío
Condiciones y Privacidad
Datos identificativos
Piezas de repuesto
Búsqueda por nº de artículo
Listas de piezas de repuesto y dibujos
Cadenas de sierra
Espadas
Piñones
Antiguedades
Catálogo
Jardín
Industria
Artículos eléctricos
Filtro
Correas trapezoidales / poleas de correa
Artículos de invierno
Trabajos forestales
Piezas de máquinas
Taller
Piezas del motor
Cortar, desbrozar
Juguetería
Lo más vendido
Servicios
Servicio de búsqueda
Determinar cadena de sierra
Mi cuenta
Registrarse
Iniciar sesión
Configuración
DE
EN
FR
ES
IT
Escritorio
Trennschneider, Cut-Off CARBURETOR Listas de piezas de repuesto y dibujos
Start
Trennschneider, Cut-Off
K960, 2007-10
CARBURETOR
CARBURETOR K960, 2007-10
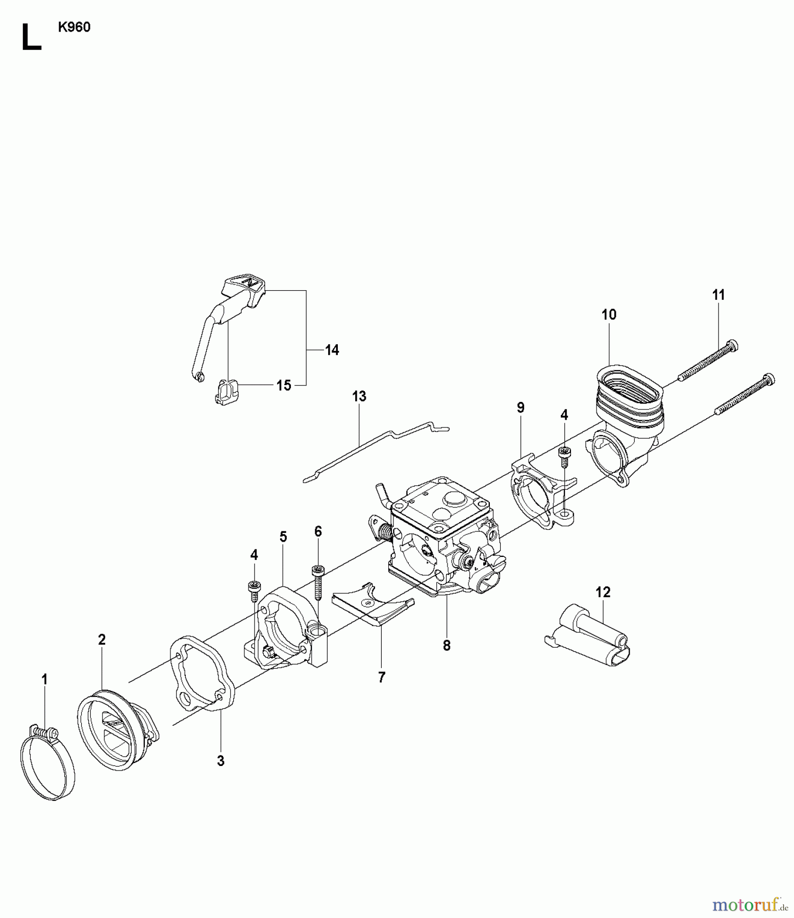
Pos
Número de artículo
Descripción
1
503 56 00-08
SCHLAUCHSCHELLE
2
506 41 41-01
ANSAUGROHR
3
544 15 01-01
FLANSCH
4
503 21 53-16
SCHRAUBE
5
544 11 39-01
BEFESTIGUNG
6
503 21 53-30
SCHRAUBE
7
506 41 42-01
PLATTE
8
502 62 32-01
VERGASER
9
544 11 17-01
FLANSCH
10
544 33 19-01
ANSAUGKRUEMMER
11
501 97 18-01
SCHRAUBE
12
544 23 26-01
FUEHRUNG
13
504 05 47-01
GASGESTAENGE
14
506 23 20-11
CHOKEGESTAENGE
15
506 27 25-01
SCHUTZ
Gestión de calidad
Ayúdenos a mejorar esta página. Infórmenos de los errores que haya encontrado.