Echo WP-3000 - Water Pump, S/N: F7299 - F9999 Cylinder Block Listas de piezas de repuesto y dibujos
Cylinder Block WP-3000 - Echo Water Pump, S/N: F7299 - F9999

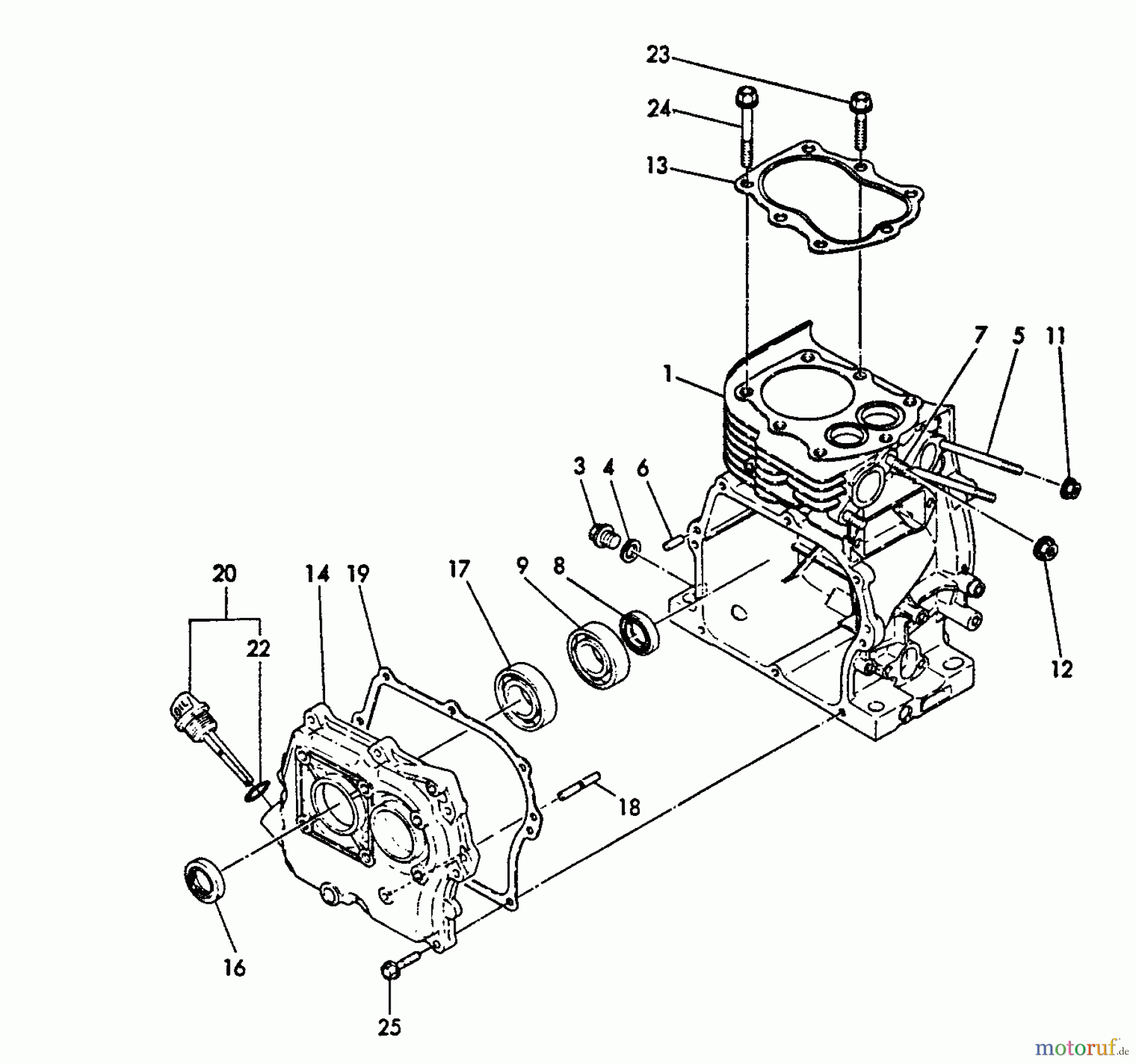
| Pos | Número de artículo | Descripción | |
| 1 | 1699999999999 | ||
| 3 | 16Y16061001690 | ||
| 4 | 16Y10420059170 | ||
| 5 | 16Y16061004570 | ||
| 6 | 16Y22312060160 | ||
| 7 | 16Y26216080182 | ||
| 8 | 16Y16021002220 | ||
| 9 | 16Y24101062050 | ||
| 11 | 16Y26366060002 | ||
| 12 | 16Y26366080002 | ||
| 13 | 16Y16071001330 | ||
| 14 | 16Y76074001500 | ||
| 16 | 16Y16021002220 | ||
| 17 | 16Y24101062050 | ||
| 18 | 16Y16061061100 | ||
| 19 | 16Y16071001410 | ||
| 20 | 16Y16071001760 | ||
| 22 | 16Y24311000180 | ||
| 23 | 16Y16061004172 | ||
| 24 | 16Y16061004211 | ||
| 25 | 16Y26476060252 | ||


Gestión de calidad
Ayúdenos a mejorar esta página. Infórmenos de los errores que haya encontrado.

