Echo WP-2000 - Water Pump, S/N: A1010 - A9999 GOVERNOR Listas de piezas de repuesto y dibujos
GOVERNOR WP-2000 - Echo Water Pump, S/N: A1010 - A9999

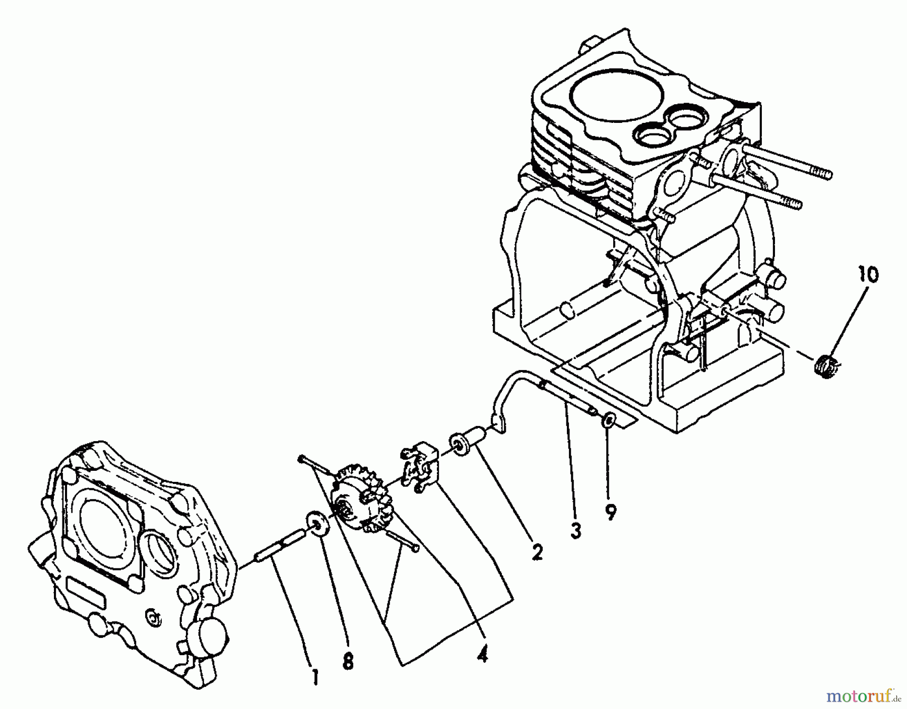
| Pos | Número de artículo | Descripción | |
| 1 | 16Y16061061100 | ||
| 2 | 16Y16061061300 | ||
| 3 | 1699999999999 | ||
| 4 | 16Y16064161600 | ||
| 8 | 16Y16012076940 | ||
| 9 | 16Y16072013730 | ||
| 10 | 16Y16061166030 | ||


Gestión de calidad
Ayúdenos a mejorar esta página. Infórmenos de los errores que haya encontrado.

