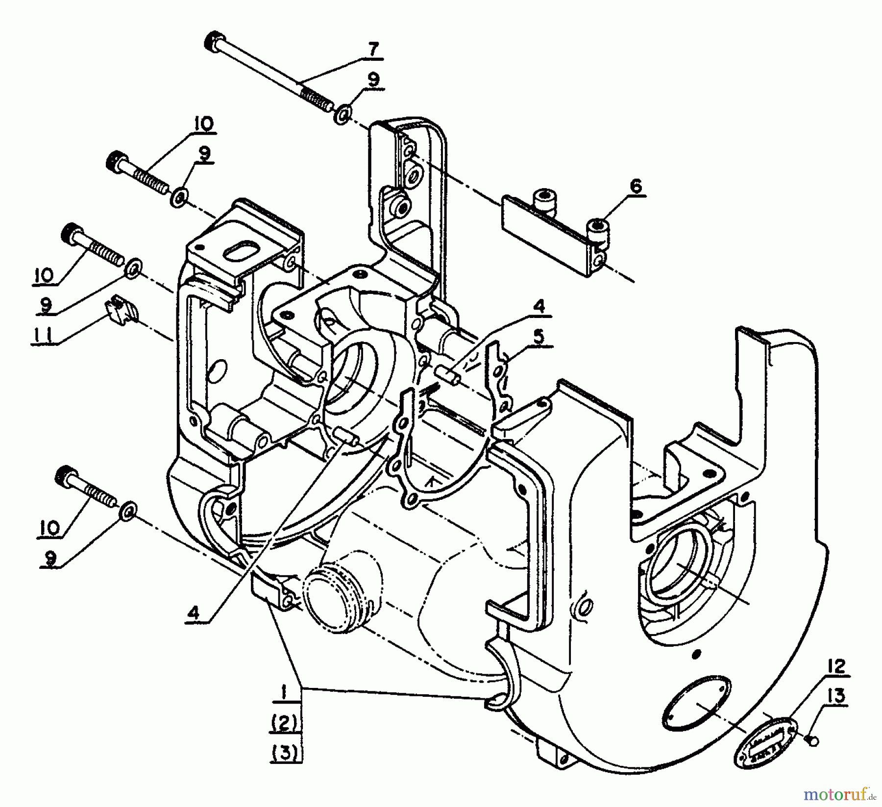
Echo SRM-302ADX - String Trimmer Crankcase Listas de piezas de repuesto y dibujos
Crankcase SRM-302ADX - Echo String Trimmer

| Pos | Número de artículo | Descripción | |
| 1 | 1699999999999 | ||
| 2 | 16 | 16 | |
| 3 | 16 | 16 | |
| 4 | 16-V622-000020 | Stift | |
| 5 | 16-100242-04930 | Dichtung Produktion | |
| 6 | 16-145663-04130 | Halter Produktion eingestellt | |
| 7 | 1690010504065 | ||
| 9 | 16-900600-00004 | Scheibe | |
| 10 | 16-900105-04025 | Schraube | |
| 11 | 1610061403930 | ||
| 12 | 1689001004130 | ||
| 13 | 16-890011-00130 | Kerbstift | |


Gestión de calidad
Ayúdenos a mejorar esta página. Infórmenos de los errores que haya encontrado.

