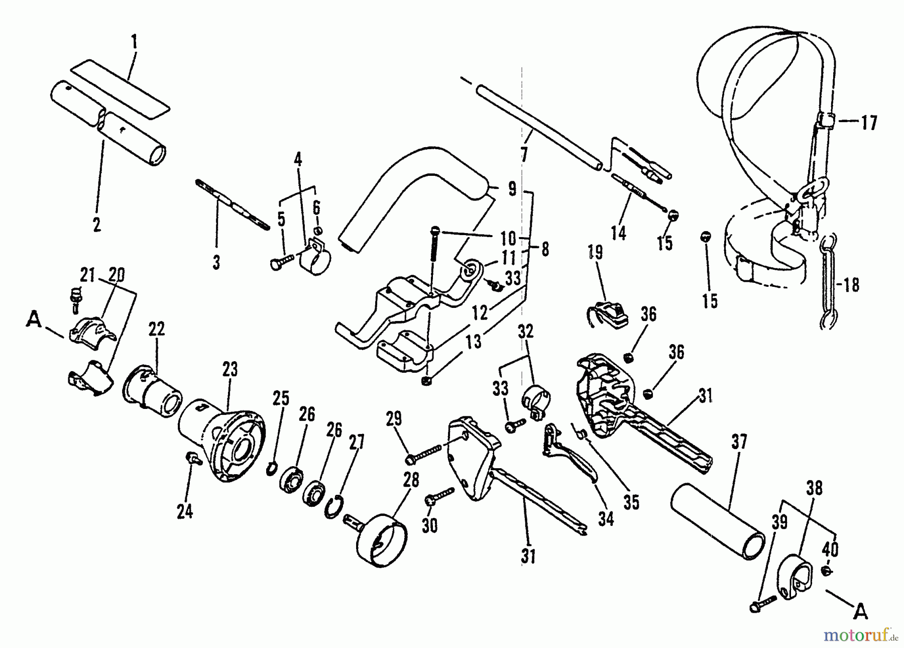
Echo SRM-3000 - String Trimmer, S/N:037501 - 043225 Driveshaft, Clutch Housing, Throttle, Stop Switch, Handles, Harness Listas de piezas de repuesto y dibujos
Driveshaft, Clutch Housing, Throttle, Stop Switch, Handles, Harness SRM-3000 - Echo String Trimmer, S/N:037501 - 043225



Gestión de calidad
Ayúdenos a mejorar esta página. Infórmenos de los errores que haya encontrado.


