.es
Cesta
vacia
Mi cuenta
Registrarse
Iniciar sesión
Home
Contacto
Nuestra empresa
Álbum de visitantes
Envío
Condiciones y Privacidad
Datos identificativos
Piezas de repuesto
Búsqueda por nº de artículo
Listas de piezas de repuesto y dibujos
Cadenas de sierra
Espadas
Piñones
Antiguedades
Catálogo
Jardín
Industria
Artículos eléctricos
Filtro
Correas trapezoidales / poleas de correa
Artículos de invierno
Trabajos forestales
Piezas de máquinas
Taller
Piezas del motor
Cortar, desbrozar
Juguetería
Lo más vendido
Servicios
Servicio de búsqueda
Determinar cadena de sierra
DE
EN
FR
ES
IT
Versión móvil de la página
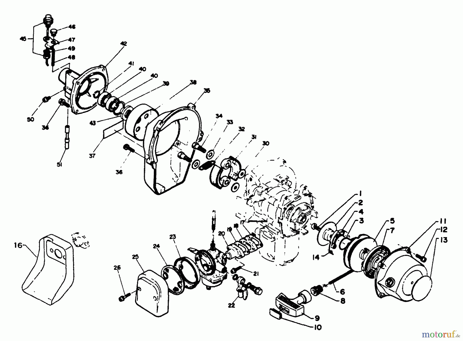
Echo RM-303E - String Trimmer Clutch, Exhaust, Fan Case, Intake, Ignition Switch, Starter Listas de piezas de repuesto y dibujos
Start
Echo
Trimmer, Faden / Bürste
RM-303E - Echo String Trimmer
Clutch, Exhaust, Fan Case, Intake, Ignition Switch, Starter
Clutch, Exhaust, Fan Case, Intake, Ignition Switch, Starter RM-303E - Echo String Trimmer
Pos
Número de artículo
Descripción
1699999999999
1
16-177236-05530
Schraube
2
16-177211-05730
Platte Produktion eingestellt
3
16-177233-05530
Feder Produktion eingestellt
4
16-177218-05530
Starterklinke Produktion
5
16-177215-05730
Seilscheibe
6
16-177226-01110
Starterseil
7
16-177220-05730
Starterfeder
8
16-177227-05530
Seilführung
9
16-177228-01110
Startergriff PB-6000, PB-46LN,
10
16-177244-01110
Griffkappe DM-9
11
16-177232-05730
Startergehäuse Produktion
14
16-177234-05730
Feder Produktion eingestellt
12
16-900242-04014
Schraube 4x14(Eisen)
13
16-890112-06031
Aufkleber
16
1612902907130
17
1613001007530
18
16-130017-05730
Zwischenflansch
19
16-130016-05731
Dichtung
20
16-130510-05730
Einlasstutzen Produktion
21
16-900242-04025
Schraube(Eisen)
22
16-132200-00512
Benzinhahn RM-380, RM-385
23
16-130314-05530
Luftfiltergehäuse
24
16-130310-05730
Luftfilter
25
16-130313-05530
Luftfilterdeckel
26
16-900242-04028
Schraube
30
16-175048-05530
Scheibe SRM-320/350/SHR-170SI/
31
16-175009-05731
Kupplungsbacken Produktion
32
16-175018-05731
Kupplungsfeder SRM-310E
33
16-175049-05530
Scheibe Produktion eingestellt
34
16-175046-05530
Schraube
35
1610151107130
36
16-900242-05022
Schraube CS-2600
37
16-890034-07130
Aufkleber Produktion
38
16-175005-07130
Kupplungstrommel Produktion
39
16-900702-00028
Seegerring, innen, 28mm
40
16-94042-06001
Kugellager PPT-2100/-2400/-
41
16-900701-00012
Seegerring außen 12mm
42
16-610223-07131
Kupplungsgehäuse Produktion
43
16-610253-07130
Simmering Produktion
45
16-166101-07130
Schalter Produktion
46
16-610250-07130
Federhalter
47
16-166110-07131
Halterung Produktion
48
16-610251-07130
Feder
49
16-900605-00008
Scheibe
50
16-900242-04008
Schraube
51
16-610252-07130
Haltestift
Gestión de calidad
Ayúdenos a mejorar esta página. Infórmenos de los errores que haya encontrado.